Чертеж винтовой дровокол: Винтовой дровокол своими руками + чертежи
Винтовой дровокол своими руками + чертежи
Дровокол на дачном участке – это решение огромной проблемы. Рубить топором большой объем дров – занятие тяжелое, требующее много времени. Поэтому многие жители загородных поселков сегодня пользуются именно дровоколами. Правда, готовый заводской станок стоит немалых денег, поэтому умельцы сами изготавливают это оборудование, используя детали и узлы от других станков или бытовой техники.
Сегодня существует две разновидности дровоколов, в основе которых лежат два разных рабочих органа. Это колун (острая, в виде ножа, вертикально установленная пластина), на который деревянную чурку с усилием надвигает толкатель. Такой дровокол называют реечным. И конус, на котором нарезана винтовая резьба. Сделать тот и другой дровокол своими руками (чертежи используя) не проблема. Главное найти все необходимые детали, основными из которых являются двигатель и рабочий орган.
Винтовой дровокол
Из двух вышеобозначенных конструкций, самый простой – винтовой дровокольный станок.
Что касается мотора, то оптимальный вариант – это электрический, хотя можно установить и бензиновый, если собирается большая дровокольная установка. Кстати, можно для небольшого станка использовать двигатель от старой стиральной машинки, работающего от напряжения 220 вольт. Он хоть и маломощный, но установив хороший редуктор, можно увеличить его мощность в два-три раза. Здесь главное – правильно подобрать оба элемента. К примеру, можно установить на валу двигателя малый по размерам шкив, а на вал, на который насажен конус, установить большого диаметра шкив. И чем разница между диаметрами шкивов будет больше, тем мощнее будет дровокол.
Внимание! Очень важный показатель – скорость вращения рабочего органа. Она не должна превышать 500 об/мин. Поэтому необходимо правильно подобрать редуктор к электрическому двигателю.
Теперь о выборе подшипников. В принципе, подойдут любые, главное, чтобы изготавливаемый под них вал соответствовал действующим на него нагрузкам. Для небольших дровоколов можно установить вал диаметром 25-30 мм. Соответственно под него подбираются подшипники с внутренним диаметром, соответствующим внешнему диаметру самого вала.
Сами подшипники устанавливаются на дровокол в специальном корпусе из чугуна или стали. Корпус может быть отдельным для каждого подшипника или единым для двух сразу. Можно заказать корпус токарю, но лучше приобрести б/у конструкции, которые всегда найдутся на любой свалке металлолома.
Крепятся подшипники к станине с помощью болтов. Сама станина в месте установки должна быть очень прочной, поэтому именно в местах крепления под корпуса подшипников устанавливается металлический профиль (уголок, швеллер), который к станине дровокола приваривается электросваркой.
Сама основа станка собирается из труб или уголков.
И самый главный элемент дровокола винтового с двигателем 220 вольт – это конус. Начнем с того, что изготавливают его из инструментальной стали, очень прочной. Поэтому самостоятельно его сделать, даже токарю в домашних условиях, непросто. Но этого делать и не надо, потому что винтовые конуса сегодня продаются свободно. Важно – правильно его выбрать по размеру, потому что от этого будет зависеть, какие чурки можно резать. Вот соотношение размеров конуса с размерами разрезаемых бревен, при одинаковой длине инструмента.
- Диаметр –70 мм, размер скоса – 1,1. При таких параметрах глубина раскола будет составлять 450 мм.
- Диаметр – 80 мм, скос – 1,2, глубина раскола – 550 мм.
- Диаметр – 100 мм, скос – 1,5, глубина раскола – 750 мм.
На фото выше показаны размеры конуса, а также описаны показатели винтовой резьбы. Особое внимание направлению нарезки резьбы. Она должна быть левой. То есть, при вкручивании конуса, он должен врезаться в полено, при этом тянуть его на себя.
По сути, с помощью резьбы выполняется дополнительное движение заготовки – поступательное. При том, как сам рабочий орган вращается. Это очень важно для конусных дровоколов (220 вольт) бытового типа, потому что у них будет отсутствовать подающий узел. Все будет производиться вручную. Именно этот вариант создаст условия, при которых не нужно будет использовать большое давление на разрезаемую деревянную чурку.
Размеры дровокола
Схема расположения узлов и деталей дровокола может быть произвольной.
Здесь нет каких-то строгих ограничений. Главное – удобство его эксплуатации, поэтому высота станка должна соответствовать росту человека. Есть, правда, средне рекомендованные габариты, которые можно взять за основу сборки.
- Длина станка – 85 см.
- Высота – 65 см.
- Ширина – 45 см.
Специалисты еще рекомендуют устанавливать двигатель под столом, на котором будет производиться резка древесины. Во-первых, это уменьшит длину дровокольного станка, во-вторых, стол – это защита мотора от стружек и щепок, которые летят в процессе резки. Если в конструкции оборудования присутствуют открытые вращающиеся детали (ремни, цепи, полумуфты, соединяющие вращательные элементы двух узлов), то их необходимо обязательно закрыть. Таковы требования техники безопасности.
Что касается используемого для изготовления дровокола материала, то лучше всего для этого использовать металлические уголки размером 40х40 мм и листовую сталь толщиною 1 мм.
Кстати, данная конструкция дровокола позволяет не использовать электрический или бензиновый двигатель.
Можно вообще отказаться от мотора, использовав силу человека. Для этого к редуктору надо прикрепить рукоятку, которой и надо будет крутить вал. Такой механический дровокол прост, но неудобен в эксплуатации, потому что для рубки дров придется участвовать двум людям: один крутит ручку, второй подает чурки.
Упрощенная конструкция винтового дровокола
Как вы сами смогли убедиться, изготовить винтовой дровокол своими руками несложно. Конечно, если есть возможность найти все вышеперечисленные детали к станку. Но есть вариант более простой. Для него нет необходимости использовать редуктор и подшипники, промежуточный вал и сложную станину. Все, что вам потребуется, это двигатель и винтовой конус. Чтобы вы поняли, о чем идет речь, посмотрите на фото ниже, где показан этот простой дровокол.
То есть, на вал электродвигателя насаживается конус, который крепится на нем двумя стопорными винтами. Их концы входят в пазовую канавку вала. И это очень надежное крепление. Единственное, на что необходимо обратить внимание, это на сам электродвигатель.
- Его мощность должна быть в пределах 4 кВт. Мощнее не надо.
- Скорость вращения вала должна быть в пределах 750 об/мин, лучше меньше.
Габариты двигателя значения не имеют, он может быть небольших размеров, но мотор можно приподнять, установив под него маленькую станину или подставки из металлического кругляка. На фото выше видно, что двигатель, наоборот, опустили, потому что высота вала была очень большой.
Выбирая тот или иной тип дровокола, необходимо основываться на деталях, которые в первую очередь доступны. Поэтому для кого-то изготовить реечный дровокол своими руками проще, чем винтовой. А для кого-то, наоборот. Но в любом случае свой станок для рубки дров на дачном участке – это возможность облегчить заготовку дров.
Обязательно ознакомьтесь с видео и фото в виде инструкций к изготовлению своими руками дровокола. На самом деле это не очень сложно, как может показаться на первый взгляд.
техническое описание и чертёж конструкции
Без сомнений, дровокол очень полезный в хозяйстве агрегат. Тем более актуален он для жителей сёл и посёлков, которые отапливают свои дома при помощи дровяных печей.Но совершенно не каждый может выложить за это устройство немалую сумму, тем более что при большом желании этот простой механизм можно легко сделать своими руками.
Простейший дровокол своими руками
Наиболее простую конструкцию имеют конусные дровоколы, где в основе находится металлический конус с резьбой, который вращается электрическим двигателем. Самым сложным элементом данной конструкции считается конус, его нужно будет изготовить на токарном станке. После изготовления непосредственно конуса, на нём делается упорная левая резьба.В случае когда нет возможности заказать или сделать конус на станке, данную деталь можно сделать своими руками при помощи болгарки. При этом не нужно сильно выдерживать чёткие размеры.
В этом случае просто нужно вначале насадить болгарку на шкив электрического двигателя, и равномерно срезать металл, добившись её свободного вращения.
Готовый конус надевается на вал с подшипниками необходимого размера, где в конце находится фланец со звёздочкой от колеса мотороллера. Конус с резьбой крепится на валу с помощь болта или штифта, это даёт возможность с лёгкостью убирать его с вала и выкручивать из чурбака при заклинивании.
Снятый конус, заклинивший в бревне, можно с лёгкостью выкрутить из дерева с помощью газового ключа. Если конус зафиксирован на валу намертво, то, при заклинивании, появляется необходимость снимать цепь привода, поточу что вал двигателя не всегда можно повернуть в другом направлении.
Особенности изготовления
При желании электрический двигатель можно заменить бензиновым, мощностью не меньше 7 л. с., но для конусных дровоколов лучше всего использование электромоторов мощностью не меньше 3–4 кВт, с частотой оборотов не меньше 260 в минуту.
Способ работы этого винтового дровокола очень прост. Во время вращения конус, подобно саморезу, вкручивается в бревно, раскалывая его. Работая с дровоколом, нужно быть предельно аккуратным и соблюдать правила безопасности.
Разновидности дровоколов
Все сегодня изготавливаемые дровокольные устройства делятся на профессиональные и бытовые аппараты.Бытовые устройства имеют только лишь функцию раскола бревна. Профессиональные аппараты представляют очень сложную конструкцию, которая производит подачу древесины, торцовку по заданной длине, раскалывание и выброс колотых дров. Естественно, и цена, и производительность, и мощность этих устройств не идёт в сравнении с обычными заводскими дровоколами, и уж тем более своими руками.
По устройству подачи раскалываемой древесины дровоколы могут быть вертикальными, горизонтальными и комбинированными.
В горизонтальных аппаратах чурбак крепится на горизонтальном жёлобе. Причём, с учётом конструкции, или толкатель двигает полено к колющему ножу, или нож по направляющей движется по направлению к полену.
В вертикальных дровоколах полено подаётся вертикально, а передвигающийся нож сверху его раскалывает. Механизмы этой конструкции наиболее производительны, они занимают не такую большую площадь, но имеют и свои минусы. Так, во время работы вертикальных дровоколов нужно своими руками поддерживать раскалываемые поленья, что требует чёткого соблюдения техники безопасности.
Устройства комбинированного типа объединяют себе возможности описанных выше аппаратов и используются только на деревообрабатывающих заводах.
Учитывая источник питания, дровоколы делятся на такие виды:
- Аппараты на тракторной тяге. Такие устройства подсоединяются к гидросистеме трактора с мощным валом отбора. Это профессиональные и мощные аппараты, которые предназначаются для работы в крупных промышленных предприятиях, лесопромышленных фермах и комплексах.
- Дровоколы с дизельными или бензиновыми двигателями. Это очень мощные аппараты, которые используются, как правило, на лесозаготовках.
Однако они подходят и для работы в загородных домах. - Комбинированные устройства. Некоторые модели имеют электрические двигатели или ДВС, а также приспособлены к работе от тракторного вала.
- Дровоколы с электрическими двигателями. Это самые простейшие конструкции дровоколов. Электрический двигатель активирует гидронасос. Эти агрегаты просты в эксплуатации и обслуживании, их можно поставить почти в любом помещении.
Дровоколы с электрическими двигателями не требуют особого обслуживания и лучше всего подойдут для использования в домашних условиях. Единственным непременным условием для их работы является наличие электроэнергии.
С учётом конструкции механизма колки брёвен, дровоколы делятся на такие виды:
- Конусные или винтовые (мы как раз и рассказывали выше, как сделать этот дровокол своими руками). В данных устройствах роль ножа выполняет конус с резьбой, он раскалывает полено, вкручиваясь в него. С помощью такого принципа работы, можно вполне сделать дровокол своими руками, потому что он довольно прост, и не нуждается в изготовлении дополнительных механизмов.
Но, для его производительной работы потребуется мощный электродвигатель. - С гидроприводом. В основе этих устройств находится гидравлический насос, который приводит в действие нож-колун, он, надавливая с большой силой на полено, раскалывает его.
Также промышленные устройства различаются между собой по способу транспортировки. Чаще всего тяжёлые и крупные аппараты делаются в стационарном варианте. А вот в конструкции лёгких аппаратов предусмотрены колёса, они позволяют с лёгкостью проводить их передвигать.
Технические характеристики дровоколов
Рабочее расстояние. Этот показатель определяет, с каким размером поленьев может работать дровокол. Для бытовых нужно, чаще всего, длина поленьев не превышает размеров топки печи.Мощность расщепления. Этот показатель определяет требуемое усилие, производимое устройством для колки поленьев.
Бытовые аппараты имеют мощность 4–8 тонн. Для конусных устройств важным параметром является скорость вращения колодки. Оптимальной считается 450–650 об./мин.
Ход механизма поршня. Эта характеристика определяет расстояние, которое преодолевает поршень при выполнении работ.
Наибольший диаметр раскалываемого полена. Бытовые конструкции могут раскалывать поленья диаметром от 35 см. Причём конусные дровоколы могут раскалывать куски почти любого диаметра.
Мощность электрического двигателя. Чаще всего бытовые дровоколы оборудуются электродвигателями мощностью 1600–2400 В. От мощности двигателя, в большей степени, зависит экономичность и производительность устройства. Винтовые механизмы оборудуются трехфазными моторами мощностью 3500–4500 Вт.
Скорость передвижения поршня. Приблизительная скорость поршня во время передвижения вперёд равняется 5 см/сек, при перемещении назад – 8 см/сек.
Дополнительные возможности.
Конструкция определённых моделей гидравлических устройств даёт возможность использовать 4-резцовую насадку, она существенно повышает производительность конструкции. В комплекте определённых моделей находится специальный стол, который даёт возможность увеличить рабочую высоту дровокола.
Размеры реечных дровоколов для домашнего пользования колеблются с учётом от их моделей, производительности и завода-изготовителя. Как правило, это относительно небольшие устройства.
Насколько целесообразно изготавливать дровокол своими руками, имея чертёж? Если есть все требуемые составные части (редуктор, стол, электродвигатель) и хотя бы небольшие навыки по обработке металла – то есть смысл изготовить своими руками конструкцию для домашнего использования.
При постоянной загрузке лучше всего покупать заводские дровоколы, потому как они имеют лучшую производительность и отличаются долговечностью и надёжностью.
youtube.com/embed/hf2mza6yhf4″/> Оцените статью: Поделитесь с друзьями!Как сделать винтовой дровокол своими руками
Дача – это место, где человек может отвлечься от городской суеты и насладиться прелестями сельской жизни. В жизни любого дачника всегда хватает забот по хозяйству, начиная от обустройства дома и поддержания порядка во дворе, и заканчивая заготовкой дров для шашлыков.
Для того, чтобы облегчить процесс заготовки дров, было придумано устройство под названием «дровокол». В этой статье познакомим читателей с одним из способов изготовления винтового дровокола своими руками.
Разновидности
Печное отопление в различной степени используется как в частных домах, так и на производственных предприятиях. А потому придуман не один вид оборудования для колки дров. Рассмотрим основные классификации дровоколов:
1. По уровню профессиональности:
- бытовой – предназначен только для раскола дров;
- профессиональный – кроме раскола имеет функции подачи бревен, торцовки и отбрасывания готовых поленьев.

2. По характеру передвижения:
Что такое реечный дровокол: https://6sotok-dom.com/instrumenty/reechnyj-drovokol.html
- стационарный – обычно тяжелый аппарат с внушительными габаритами;
- мобильный – имеет не такой внушительный вес и размер, и оснащен колесами для легкой транспортировки.
Дровокол с бензиновым двигателем
3. По способу подачи бревен:
- вертикальный – бревно при подаче подают вертикально, раскол производится ножом сверху;
- горизонтальный – бревно укладывается на желоб, который направляет древесину к ножу;
- смешанный – используется на деревообрабатывающих предприятиях, и совмещает характеристики перечисленных выше дровоколов.
4. По источнику питания:
- с электродвигателем – самая простая конструкция дровокола, удобная для применения в любом помещении, в том числе и в бытовых условиях. Один из плюсов такого двигателя – отсутствие необходимости спецобслуживания;
- с дизельным или бензиновым двигателем – мощный аппарат, который чаще используется на лесозаготовке, но в некоторых случаях подойдет и для дачного участка;
- на тракторной тяге – такой агрегат используется на профессиональных предприятиях.
Суть действия в том, что он получает энергию от гидросистемы трактора; - с комбинированным источником питания – может работать как от электрического или бензинового двигателя, так и от тракторного привода.
Дровокол в работе
5. По конструкции механизма для колки дров:
- гидроприводный дровокол – в этом случае бревно раскалывается ножом-колуном, который приводится в действие гидравлическим насосом;
- конусный (винтовой) дровокол – в центре конструкции винтовой конус, который при вкручивании в бревно раскалывает его.
Наиболее подходящее оборудование для использования дома и на даче – винтовой дровокол с электрическим двигателем.
Заточка цепи бензопилы своими руками: https://6sotok-dom.com/instrumenty/zatochka-tsepi-benzopily.html
Это важно: в работе с винтовым дровоколом требуется соблюдать особую осторожность. Укладывать чурки на станок нужно только голыми руками! Если пренебречь этим правилом, вал при вращении может затянуть рукавицу.
Конструкция такого агрегата довольно проста. Рассмотрим его основные составляющие:
1. Станина. Это центральная фигура конструкции, т.к. на ней держится винтовой конус, двигатель и редуктор. Производится из надежного, устойчивого к механическим повреждениям материала, чаще всего металла.
2. Двигатель с ременной передачей. Выбор в пользу электрического или бензинового мотора делает сам пользователь.
3. Винтовой конус или шуруп. Главный рабочий элемент, от которого зависит качество и скорость работы. Поэтому материал для изготовления тоже используется прочный и надежный.
Схема работы винтового дровокола (нажмите, чтобы увеличить)
4. Редуктор. В его функциях поддержание средней скорости вращения конуса на уровне 300–400 оборотов в минуту.
Как происходит работа дровокола, можно понять, рассмотрев следующую схему. Двигатель посредством ременной передачи приводит в движение вал с рабочим конусом.
А он уже, в свою очередь, раскалывает приставленное к нему полено.
Благодаря простоте сборки и нехитрым составляющим, изготовление такого оборудования своими руками подвластно любому человеку.
Рекомендации по изготовлению конуса
Чертеж рабочего конуса (нажмите, чтобы увеличить)
Главный вопрос при создании дровокола заключается в поиске рабочего конуса. Его можно купить в специализированном магазине или заказать у профессионального токаря. Но вполне допустимо выточить шуруп самостоятельно из металлической болванки, используя для этого обычную болгарку.
Поэтапно процесс вытачивания конуса выглядит так:
- насаживание металлической болванки на шкив электродвигателя;
- снятие лишнего металла во время свободного вращения заготовки;
- нарезка левой (упорной) резьбы по поверхности конуса. Такая резьба, в отличие от правосторонней, лучше входит в поленья и дольше служит.
Для более ясного представления рассмотрим наглядно чертеж винтового конуса.
Описание разновидностей садовых измельчителей: https://6sotok-dom.com/instrumenty/sadovyj-izmelchitel.html
Обратите внимание: при создании самодельного дровокола для домашнего использования необязательно в точности соблюдать определенные размеры рабочего конуса.
Последние штрихи в создании машины для раскола дров
Дровокол с ременной передачей
Закончив вытачивание рабочего конуса и подготовив все необходимые составляющие, можно приступать к финальной сборке оборудования.
Для этого шуруп насадить на подготовленный заранее вал и зафиксировать штифтом. На другую сторону вала надеть фланец с мотоциклетной звездочкой.
Полезные советы:
1. Для того, чтобы натягивать цепь было проще, можно установить между валом и двигателем распорку из двух гаек и трубного сгона.
2. В качестве станины можно использовать подручные материалы — подойдет даже старая дверь.
Есть интересная статья о том, как выбрать хороший измельчитель для кормов.
Если Вам интересно, как сделать измельчитель для соломы своими руками, тогда подробнее об этом Вы можете прочесть в нашей статье.
3. Опоры автомобильного кардана могут пригодиться для опор, держащих вал.
4. В качестве электродвигателя подойдет даже двигатель от стиральной машины, но лучше всего от мотоблока.
Это важно: в случае застревания конуса в чурке, штифт вынимается, а конус выкручивается с помощью большого газового ключа. Это необходимо чтобы избежать снятия цепи, т.к. в обратную сторону вал провернуть не удастся.
Устройство для раскалывания дров – полезное изобретение, способное значительно облегчить работы по заготовке топлива для печей. Благодаря легкой сборке, изготовить дровокол своими руками может каждый, а простота конструкции позволит без особого труда заняться рубкой дров даже женщине.
Ниже, мы предлагаем Вам посмотреть видео о том, как сделать дровокол своими руками:
youtube.com/embed/Qrh8eHnFD7E» frameborder=»0″ allowfullscreen=»allowfullscreen»/> Оцените статью: Поделитесь с друзьями!Винтовой дровокол своими руками: инструкция, чертежи, фото
Для жителей частных домов или для владельцев загородных участков, часто актуальным становится вопрос: как сделать винтовой дровокол своими руками и где для этого взять инструкции, чертежи, фото? Ведь в частном доме часто приходится заготавливать дрова. При небольшом их количестве можно справиться и топором. Если же их много, топор уже не поможет – потребуется немало сил и времени. В этой ситуации на помощь придет дровокол, сделать который можно и самому.
Для изготовления дровокола используются узлы от другого оборудования. Самодельные агрегаты по типу своего рабочего органа подразделяются на две категории: с колуном и с конусом. Главной деталью колуна является вертикальная острая пластина. Древесину на нее подает толкатель. Дровокол этой категории называется реечным. У устройств второго типа основной элемент – конус с винтовой резьбой.![]()
Принцип действия, преимущества и устройство винтового дровокола
Конус дровокола вращается с помощью электродвигателя. Он входит в полено и, за счет постепенного увеличения диаметра, разрывает его по волокнам. Дрова на винт подаются вручную. Самодельный винтовой дровокол обладает следующими преимуществами:
- Простота конструкции.
- Низкая стоимость узлов.
- Легкая доступность узлов (почти все, кроме конуса, они имеются в быту).
- Высокая производительность (до 12 м3 дров длиной около 60 см).
- Простота эксплуатации.
Имеются у этого устройства и недостатки. Во-первых, он плохо разрезает древесину с переплетающимися волокнами. Во-вторых, чурки разделяются на поленья не полностью – приходится заканчивать этот процесс вручную. А для этого требуются определенные усилия.
В-третьих, для изготовления конуса потребуется токарный станок.
Хотя, винт можно сделать и самому – на просторах интернета имеется масса информации по этому поводу. Кроме того, эту деталь можно приобрести в готовом виде.
Вал с конусом необходимо установить на прочной, устойчивой платформе. Рекомендуемый диапазон частоты вращения конуса – от 300 до 500 об/мин. В данной схеме электродвигатель обеспечивает вращение винта за счет ременной передачи.
Преимущество этой схемы в том, что здесь можно любые двигатели. А требуемая частота вращения винта достигается за счет ременной или цепной передачи. На вал электродвигателя устанавливается шкив меньшего диаметра, на вал винта – большего.
При большой частоте вращения двигателя, для обеспечения требуемого вращения рабочего органа потребуется большая разница диаметров ведущего и ведомого шкивов. В таком случае используется двухступенчатая передача. То есть, между ведущим и ведомым шкивами устанавливается промежуточный вал.
Для упрощения конструкции агрегата рекомендуется использовать электродвигатель с редуктором.
На производительности такое решение никак не скажется.
Существует вариант, при котором электродвигатель соединяется с конусом напрямую. Максимальная частота оборотов двигателя должна в этом случае быть 500 об/мин, минимальная мощность – 3кВт.
Вариант, при котором двигатель расположен под столешницей, более предпочтителен. Длина столешницы в таком случае потребуется меньше. Кроме того, это позволит защитить мотор от щепок. В данной схеме подойдет однофазный электродвигатель, что поможет снизить затраты на изготовление устройства.
Дровокол должен также соответствовать следующим требованиям:
- допустимая мощность электродвигателя – 2-4 кВт;
- наличие кнопки включения и выключения, а также устройства, предназначенного для защитного отключения в случае возникновения внештатных ситуаций;
- вал винта должен находиться на подшипниковых опорах;
- на конусе должна быть упорная резьба;
- высота агрегата должна быть около 800 мм;
- ремни желательно использовать клиновидные, а шкивы – двухручейные;
- заготовки должны подаваться вертикально (если заготовки будут подаваться по-другому, винт может заклинить).

Элементы конструкции
Для работы понадобятся:
- Лист металла толщиной 4-5 мм.
- Конус (лучший материал для главной детали всего механизма – инструментальная сталь).
- Вал.
- Шкивы (для передачи с помощью ремня) или звездочки (для передачи с помощью цепи).
- Ремень или цепь.
- Подшипники, имеющие корпус.
- Электродвигатель.
- Провода.
- Кнопка включения и выключения агрегата (в качестве альтернативы можно использовать магнитный пускатель).
- Уголки для изготовления станины (для этой цели вполне подойдут и стальные трубы).
- Болты и гайки.
Почти все перечисленные детали можно извлечь из старого оборудования. Конус вы можете изготовить сами. Однако, для этого потребуется определенное оборудование. Шаг резьбы винта должен быть 2:1. Поэтому желательно приобрести его, чтобы агрегат работал без замечаний.
Двигатель рекомендуется использовать электрический, на 220 вольт.
Иногда в хозяйстве встречаются дровоколы с двигателем от стиральной машины. Большая установка может функционировать и с бензиновым двигателем. Рекомендуемый диаметр вала – от 25 до 30 мм.
Также для работы потребуются следующие инструменты:
- электродрель со сверлами разного размера;
- молоток;
- сварочный аппарат;
- болгарка;
- рулетка, ключи;
- маркер.
Изготовление
Сначала разрежьте уголки и трубы в соответствии с вашими замерами. Из листа вырежьте крышку стола и площадку, на которой будет установлен мотор. Соедините верхнюю и нижнюю рамы, приварите ножки. Для мобильной установки к станине нужно будет приварить оси. На эти оси установите колеса.
После этого установите столешницу и полку, на которой будет установлен двигатель. Установите мотор. Соедините вал двигателя с ведущим шкивом. Соберите узел вала конуса. Для этого нужно будет поместить подшипники в корпуса, установить шкивы и вал. Теперь просверлите в станине отверстия и закрепите на ней собранный узел.
Для этого понадобятся болты и гайки. Проверьте вращение вала – никакого сопротивления быть не должно.
Установка двигателя и главного вала
После этого можно устанавливать ремни. Сделав это, проверьте траекторию их движения – она должна быть прямолинейной. Если это не так, просверлите новые отверстия в столешнице, куда и установите вал. После этого снова проверьте траекторию. Эту процедуру делайте до получения необходимого результата. Ремни должны передвигаться без биений, иначе, они могут слетать.
Установите конус на вал и закрепите его винтами. Конус должен быть установлен прочно, без люфта. На валу сделайте лыски. Они могут пригодиться в случае, если конус застрянет в полене. Извлекать его придется с помощью трубного ключа. Лыски обеспечат сцепление ключа с валом. После этого установите рассекатель (для его изготовления может пригодиться старый молоток).
Монтаж конуса
После этого приступайте к подключению электрического оборудования.
Все – дровокол готов! Можно очистить его поверхности прогрунтовать и нанести на них краску. Теперь можно проводить испытание устройства.
Размеры агрегата могут быть произвольными. Главное, чтобы его удобно было эксплуатировать. Для этого габариты станка должны соответствовать человеческому росту. Рекомендованные размеры:
- длина – 850 мм;
- ширина – 450 мм;
- высота – 650 мм.
Видео: винтовой дровокол своими руками.
Техника безопасности
Насаживать древесину на конус нужно без перчаток. Иначе они могут быть накручены на винт, что может привести к травме. Заготовки подавайте только в вертикальном положении. Это обезопасит рабочий орган агрегата от заклинивания и выхода из строя. Не забудьте про заземление двигателя.
Будьте внимательными при обработке поленьев с большими сучками. Это чревато резким поворотом заготовки, заклиниванием вала, выбросом больших щепок и тому подобными неприятностями.
Частота оборотов вала не должна превышать рекомендованный верхний предел – 500 об/мин. Ременную (или цепную) передачу лучше защитить кожухом.
Итак, изготовление винтового дровокола – процесс, не представляющий особых проблем. На это может уйти всего один день. Зато, в будущем вы сэкономите массу времени и сил при заготовке большого количества дров. Только, при работе соблюдайте технику безопасности.
Republished by Blog Post Promoter
Как сделать конусный дровокол своими руками: Основная конструкция и Типы приводов — Чертежи и Принцип работы электрического колуна: Самостоятельное изготовление с винтовым конусом
Конусный дровокол своими руками- Пошаговая инструкция, чертежи и фото. Станок для раскалывания древесных чурбаков -это механический помощник человека при самостоятельной заготовке дров на определённый длительный период времени. Чаще это зимнее время. Когда собрать необходимое количество топлива составляет большого труда с приходом сезонных снегопадов и низкой температуры.
Наколоть поленницу с помощью обычного топора сложно и занимает много время.
Станки с конусным дровоколом позволяют сократить время заготовки топлива и сохранить силы человеку.
О конструкции
Основной принцип скопирован с эффекта деформации древесины, полученной при вкручивании в неё винтов по дереву для фиксации другого предмета. Когда метиз входит в древесину и начинает расщеплять её волокна, образуется трещина в детали, приводящая к расколу.
Основная конструкция конусного дровокола
Станок состоит из основных двух частей:
- Базовая часть представлена крепкой станиной. Она изготавливается из профильной трубы и имеет форму тумбочки. Состоит из четырёх стоек скреплённых между собой перемычками. Верх накрывается стальным листом по размеру периметра и толщиной 10 мм. На него устанавливаются два крепления под подшипники. На среднем уровне крепится подобная пластина. В ней сверлятся отверстия под крепление электрического мотора.
К станине приваривается стол для подачи материала. Изготавливают его из двух стоек, с использованием профильной трубы, соединённых перемычкой. Верх выполняется из стального листа. Размеры соответствуют периметру стола. Толщина металла 10 мм. к поверхности стола приваривается нож разъединяющий полено. Он предотвращает неожиданное попадание осколка под винтовой конус с последующим его затягиванием и деформацию вала. Приваривается н строго под конусом на расстоянии 20 мм от самого большого диаметра конуса имеющегося в наборе к данному станку. - Механическая часть представлена валом, двумя подшипниками, шкивом понижающим число вращения, конусом с винтовой резьбой, электродвигателем, малым шкивом для двигателя и прорезиненным ремнём.
Как работает?
Стальной вал помещается в подшипники и устанавливается в крепления на станине.
На конце его закрепляется шкив диаметром 400 мм. на среднюю площадку устанавливается электродвигатель с малым шкивом диаметром в 140 мм. между ними устраивается ремённая передача.
Разность диаметров шкивов позволяет сократить частоту вращения от двигателя на вал с конусом в три раза, но позволяет увеличить мощность станка в 3 раза.
Винтовой конус изготавливается из стали марки 45 или 42Х. Вытачивается он на токарном станке. Конусная резьба имеет наклон для зацепа материала.
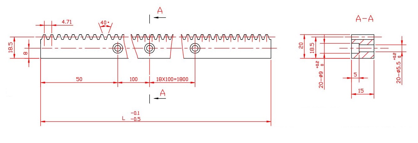
Длина конуса 250 мм, диаметр основания под вал составляет от 40 мм до 100 мм.
В основании высверливается отверстие для вала. Закрепляется конус на валу при помощи винтов или внутренней резьбы.
Типы приводов для конусного дровокола
Приводом для производства работы механического колуна могут быть:
- Электрические двигатели с питанием от сети напряжения в 220 V и 380 V. Выбор зависит от необходимой мощности станка.
- Двигатели внутреннего сгорания, работающие на бензине или дизельном топливе.

- От специального приспособления у механической газонокосилки или минитрактора. Это привода временного характера.
Принцип работы электрического колуна
При запуске двигателя крутящий момент передаётся посредством ремня на большой шкив и происходит вращение вала в подшипниках с закреплённым на нём конусном дровоколе. Оператор подаёт по приёмному столу древесный чурбак в направление к конусу.
Материал находится в вертикальном положении. Принцип ручной подачи необходим для тактильного контроля силы надавливания на чурбак. Конус с помощью винтовой резьбы вворачивается в древесину. Форма колуна обеспечивает постепенное раскалывание дерева на поленья необходимого размера. Остаётся только сложить полученный продукт в поленницу.
Важно! Особое внимание необходимо уделять безопасности производства работ на данных станках. Они имеют большое количество открытых вращающихся частей с большой мощностью. Для работы применяется электрический ток.
Важно соблюдать все правила техники безопасности. Обязательное применение спецодежды и средств индивидуальной защиты, рукавицы, сапоги кирзовые, очки.
Самостоятельное изготовление дровокола с винтовым конусом
Вначале необходимо заготовить основные детали станка. В качестве привода достаточно применить электродвигатель от старой стиральной машины. Для изготовления редуктора для дровокола подойдут детали от той же стиральной машины. Большой шкив от барабана, а малый остаётся на двигателе. И ремень подойдёт от того же агрегата. Это уже половина станка.
Подшипники и корпуса к ним придётся приобрести в магазинах с запчастями для автотехников, но прежде необходимо заказать у токаря вал и конусы для дровокола.
По размерам вала подбираются подшипники.
За время изготовления заказных деталей можно смастерить верстак для сборки на нем основных деталей в единое целое. С помощью сварочного аппарата изготавливается каркас станины со столом из профильной трубы ли стального уголка с утолщёнными полками. Чертёж можно скопировать из интернета или разработать самому. Отверстия для крепежа агрегатов просверливаются по наличию образца или по снятому заранее шаблону.
В окончание процесса все детали поэтапно собираются в единое целое с соблюдением очерёдности:
- сначала устанавливается вал с подшипниками на верхней площадке,
- затем прикручивается электрический двигатель,
- следующим шагом устанавливаются шкивы, большой и малый,
- надевается ремень,
- производится контрольный запуск системы для проверки слаженной работы всех агрегатов,
- в случае необходимости производится корректировка и центровка установочных параметров,
- завершающим этапом следует установка винтового конуса на основной вал,
- следует окончательная проверка работоспособности станка для рубки дров с применением древесного чурбака.

Итоги
В случае отсутствия шибок при самостоятельном монтаже креплений, дровокол будет работать безупречно с высокой эффективностью.
Дровокол своими руками: механический, с электроприводом
Заготовка дров требует значительных усилий: их нужно распилить, наколоть, сложить в дровник для просушки. Больше всего сил уходит на то, чтобы дрова наколоть. Облегчить и ускорить процесс может дровокол. Представлены они в достаточном количестве, но стоят солидных денег. В тоже время, сделать простейший дровокол своими руками можно из металлолома — труб, уголков и т.п. На все потребуется буквально несколько тысяч — если нет металла, его придется купить.
Содержание статьи
Механические дровоколы
Если объемы заготовки дров небольшие, с ними легко справится механический дровокол. Отличаются они простотой конструкции, минимальным количеством сложных узлов, а также тем, что затраты минимальны, даже если в хозяйстве нет подходящих железяк.
Самый простой и безопасный вариант.
Жаль только производительность низкая. Зато безопасноПростой дровокол своими руками: механика
Самый простой механический дровокол напоминает колодезный журавль. Конструкция один к одному, только вместо ведра закреплен резак и ручки. Соединение стойки (стоек) и перекладины можно сделать самым простым — шарнирным. Потребуется только хорошая смазка.
Принцип работы, наверное всем понятен. Чурбак ставят на подставку, резко тянут вниз рычаг, за счет силы инерции резец набирает значительную силу и раскалывает чурбак. Процесс повторяется до тех пор, пока не получатся поленья требуемой толщины.
Самый простой дровокол собрать своими руками можно из нескольких трубТакой механический дровокол своими руками собрать просто, причем, буквально, из того, что есть — трубы, уголок любого размера, в качестве резака можно использовать даже топор. К тому же такую конструкцию можно сделать разборной — чтобы была возможность его переносить.
Минусов немало. Колка дров требует значительных усилий.
Причем больше усилий прикладывается чтобы остановить ход колуна после того, как полено развалилось. Второй минус — подобный дровокол занимает солидную площадь, ведь чем длиннее рычаг, тем меньше усилий надо прикладывать. Тем не менее, даже такое примитивное механическое приспособление намного снижает трудоемкость процесса.
В данной конструкции колун должен быть тяжелым. Потому само лезвие приваривают к цельнометаллической болванке. Более доступный вариант — приварить к трубе (круглой или квадратной) и залить ее бетоном. Согласитесь, сделать такой дровокол своими руками по силам любому, кто умеет обращаться со сварочным аппаратом.
Пружинный дровокол
Есть доработанная конструкция ручного механического дровокола, которая, при меньших размерах, колет дрова лучше, требует меньших усилий. В этой модели основной рабочий узел — пружина, которая закреплена на станине, а верхняя ее часть упирается в стационарную перекладину, на которой закреплен колун.
В этой конструкции основное усилие — удержать колун после того как полено раскололось — принимает на себя пружина. Соответственно, главное — подобрать пружину и упор так, чтобы прилагались минимальные усилия, но они были достаточными для того чтобы расколоть даже сложные, суковатые чурбаки. Упор под пружину можно сделать подвижным. Тогда можно подстраивать параметры под конкретные условия. Реально же «перенастройка» требуется под конкретного человека. Если работать с орудием будет один человек, то можно делать все стационарно, подобрав высоту опытным путем.
Не менее важно сделать подвижное сочленение рамы и рычага, на котором закреплен колун. Лучший вариант — подшипники. Они должны быть качественными, желательно — самовыравнивающиеся.
Готовый самодельный пружинный дровоколМинимальная высота самодельного дровокола — около 800 мм. Но тогда или придется работать наклонившись, или устанавливать станок на стол/станину. Более комфортный вариант, требующий минимальных усилий, — сделанный под свой рост.
Определяете, на какой высоте вам удобно чтобы стояло полено, к этой цифре добавляете высоту самого чурбака, получаете высоту станины. В этом случае тоже придется наклоняться, но только когда устанавливаете чурку на подставку, а не каждый раз, как опускается колун.
Чтобы добавить конструкции мобильности, варят станину, с одной стороны которой закреплены колеса, на второй приварены упоры. Сделать такой дровокол своими руками несколько сложнее, но, если есть пружина и подшипники — это такая уж и сложная задача.
Дровокол инерционный вертикальный
Еще один несложный вариант для самостоятельного изготовления. Чтобы сделать такой дровокол своими руками нужны две трубы большего и меньшего диаметра. Еще потребуется тяжелая пластина — основание, и, собственно, колющая часть — резак/колун.
Конструкция — одна из самых простых, усилия требуются небольшие. На массивной платформе закрепляется толстостенная труба, а лучше — штырь. Высота — около метра. Это ведущая труба. По ней свободно движется колун, который приварен к кольцам трубы чуть большего диаметра, чем ведущая труба.
Колет дрова он следующим образом: поднимаете вверх колун и отпускаете его. Можно немного придать ускорение вниз. За счет силы тяжести полено раскалывается.
- Тяжелый колун — вот залог успеха в этой модели
- Дровокол механический вертикальный: чертеж с размерами
- Для увеличения эффективности можно сделать утяжелитель
Но этот механический дровокол сразу раскалывает далеко не все чурбаки. Чтобы увеличить его эффективность, на колун можно сделать утяжелитель. Его можно «добавлять» при необходимости. Второй вариант — ударить пару раз по колону молотком. Этот способ хорош, если резец застрял в древесине. Альтернатива — поднять вместе чурбаком вверх и резко опустить. Но молотком махнуть легче.
Дровоколы с электроприводом
Ручной дровокол, конечно, облегчает заготовку дров, но все равно требует солидных физических усилий.
Не столько, сколько их расходуют махая обычным колуном, но все-таки… Сделать усилия еще меньшими помогает электромотор. На его основе делают дровоколы различных конструкций. Но сделать такой дровокол своими руками сложнее. Тут и устройство более сложное, и требуется хоть минимальные знания электрики -желательно подключать мотор через пускатель, причем с кнопками «старт» и «пуск».
Винтовой (конусный)
Одна из самых распространенных моделей — конусный или винтовой дровокол. Отличие между ними только в отсутствии/наличии резьбы на колющем элементе, который в данной модели выполнен в виде конуса.
Конусный дровокол ускоряет заготовку дровЧурбаки раскалываются за счет того, что вращаемый мотором конус врезается в древесины, постепенно разрывая на части. У больших чурбаков откалывают сначала края, затем разрывают середину.
Параметры конуса и резьбы
Сначала режущую часть вытачивали в виде гладкого конуса. Если использовать гладкий конус, при работе приходится довольно сильно налегать на чурбак, чтобы цилиндр «вгрызался» в древесину.
Намного легче идет процесс, если на его поверхности нарезана резьба. В таком случае чурбак как-бы накручивается на винт, а потом раскалывается.
Основное — правильно сделать конус с резьбой. Если есть токарный станок и опыт работы можно попытаться сделать самостоятельною. Если нет — придется заказывать. Резьбу делают разной, но оптимальными признаны такие параметры: шаг 7 мм, глубина 3 мм (минимум — 2 мм). Еще важный момент — глубина посадочного места на редуктор мотора — не менее 70 мм.
Винт для дровоколаЕсли есть конус с нарезанной резьбой, изготовить этот дровокол своими руками не составит особого труда.
Электромотор и редуктор
Нужен электромотор достаточно мощный (2 кВт и выше или 5-9 л/с), но с небольшой частотой вращения: 250-600 об/мин. При 250 оборотах и ниже колет очень медленно, а если обороты больше 500 — работать опасно, та как может вырвать полено из рук.
Дровокол с винтом, надетым непосредственно на коленвалЕсли удалось найти движок с такими параметрами, можно сделанную пику (винт) насадить непосредственно на коленвал (на фото выше).
Если оборотов больше, надо ставить понижающий редуктор или делать цепную или ременную передачу для снижения частоты вращения.
Соотношение высчитываете в зависимости от оборотов движка. Например, есть двигатель на 900 оборотов. Сделав редуктор 1:2 получим 450 оборотов/мин. Как раз оптимальный вариант.
Понижающий редуктор для винтового дровоколаПередачи могут быть ременные или цепные. Цепные работают в разы громче, требуют постоянной мазки, да и выточить звездочки с нужными параметрами стоит, обычно, дороже. Ременная передача желательна двойная (как на фото выше). В этом случае меньше будет проскальзываний.
Где расположить мотор
Если конструкция предусматривает наличие передачи, мотор лучше поставить внизу, а сам винт закрепить на рабочей поверхности. Высоту рабочей поверхности выбираете под свой рост, чтобы не пришлось работать в наклоне.
Более безопасная модель. Сделать такой дровокол своими руками — значительно облегчить себе жизньЕсть еще такой параметр, как высота расположения винта над рабочей поверхностью.
Зазор от стола до цилиндра должен быть в районе 8-20 см. Выше располагать не стоит — может повернуть чурбаки малого диаметра. Оптимальное расстояние — 8-12 см. Даже маломерные чурбаки не поворачиваются.
Гидравлический дровокол
Гидравлический дровокол — самый мощный, но и самый сложный и дорогой в изготовлении. Кроме станины, двигателя и режущих ножей, нужен гидравлический цилиндр достаточной мощности. Стоят они стоят недешево. К тому же нужны еще масляный бак и насос.
Устройство гидравлического колунаГидравлический колун для дров развивает солидные усилия, потому при его изготовлении используется металл значительной толщины — 6-10 мм в зависимости от мощности привода. Развиваемого усилия вполне хватает чтобы за один раз развалить чурку на 6-8 поленьев. Потому ножи изготавливают в виде «звездочки».
Колун с гидравлическим приводом оснащают сложным резаком, Который разваливает чурбак на несколько поленьев сразуПри изготовлении ножей их разносят друг от друга на несколько сантиметров.
Так, чтобы в работе был только один. Например, сначала — горизонтальный, затем — вертикальный, потом — правый и в конце — левый. При этом каждый из ножей усиливайте, приваривая сзади усиливающие пластины. Сталь желательно использовать жесткую, предварительно ее заточив по тому же принципу, что и на колунах.
Видео по теме
Как самостоятельно изготовить конус для дровокола?
Большинство дачников, которым приходится часто колоть дрова вручную, задумываются над тем, как сделать эту работу более легкой.
Чтобы обеспечить запас топлива на весь сезон холодов, приходится немало трудиться. Не удивительно, что люди пытаются хоть каким-то образом механизировать процесс.
Схема винтового дровокола.
Здесь не получится обойтись бензопилой: она имеет принципиально другое назначение. С ее помощью производится поперечная распиловка древесины. А с твердыми и тяжелыми поленьями помогут справиться разве что тяжелые молоты и толстые клинья. Но, несмотря на эффективность такого воздействия, производительностью данный способ не отличается.
Что такое винтовой колун, или дровокол?
Чтобы выполнять колку дров, прилагая при этом небольшие усилия, можно применять винтовой колун. Данное приспособление довольно простое и вполне надежное, если правильно обращаться с ним. С помощью конуса для дровокола можно раскалывать чурбаки с минимальным приложением сил. Принцип работы основан на совмещении в рабочей детали клина с шурупом.
Простые шурупы вкручиваются в древесину с легкостью, но волокна при этом раздвигаются совсем незначительно.
Чуть лучшего результата можно достигнуть, используя стальной конус с нанесенной на него винтовой резьбой. Такой конус легко вкрутить в полено, которое под воздействием клинообразной формы детали и сильного напора раскалывается на части.
Чертеж конуса дровокола.
Конусы для дровокола изготавливают в соответствии с одной из двух основных конструктивных схем. При изготовлении по одной из них конус надо устанавливать на вал электродвигателя, имеющего мощность 3-5 кВт с числом оборотов не более 500.
В другом варианте устройство составляется из двухручейных шкивов с разным диаметром и приводных ремней. На вал с дровокольным винтом устанавливают большой шкив, на вал двигателя – малый.
Вернуться к оглавлению
Меры безопасности
Если станок для колки дров предполагается изготавливать самостоятельно, надо помнить о таком обстоятельстве, как высокая скорость вращения рабочего элемента. Скорость от 500 оборотов в минуту сильно увеличивает риск возможных травм при работе, так как полено будет сложно удерживать в руках.
Чтобы уменьшить опасность травм, под винтом колуна иногда устанавливают стальную неподвижную деталь, чтобы полено не отскакивало. Также некоторые умельцы вместо электрического двигателя устанавливают агрегат, снятый с мотоблока и работающий от бензина, мощностью от 6 лошадиных сил. Но для таких устройств предпочтительнее использование электромотора с частотой вращений от 250 оборотов в минуту.
При сборе элементов для составления их в единое устройство наибольшей сложностью могут стать поиски конусного шурупа. Приобрести его не так легко, если вы полны решимости собрать аппарат своими руками из подручных средств.
Многие мастера предпочитают самостоятельно изготовить такую деталь. Для этого можно выбрать один из следующих вариантов.
Вернуться к оглавлению
Вариант первый: как выточить конус своими руками при помощи болгарки?
Схема гидравлического колуна.
Если невозможно самостоятельно вытачивать на станке такую деталь и нельзя заказать ее в токарной мастерской, многие пробуют изготовить конус с использованием болгарки.
Понадобится лишь найти подходящую металлическую болванку. Может пригодиться предварительное составление схемы. Поскольку изделие предназначено для домашнего применения, не обязательно в точности выдерживать определенные размеры.
Работа при изготовлении конуса для дровокола в домашних условиях состоит в следующем: на шкив электродвигателя насаживается металлическая «болгарка». Следует добиться ее свободного вращения, после чего начинать равномерно снимать с болванки лишний металл. Лучше, конечно, воспользоваться токарным станком. После подготовки болванки в соответствии со схемой на ней нарезают левую упорную резьбу. Тип резьбы – это важно. Резьба метрическая при такой работе будет очень быстро изнашиваться, даже если особенных нагрузок нет. При работе с такой деталью очень велика опасность, что полено соскользнет. Поэтому останавливаться надо на деталях с упорной резьбой: она будет лучше входить в чурбак и прослужит долго.
Когда конус будет готов, его надо насадить на вал с подшипниками нужного размера.
На его конце устанавливается фланец со звездочкой от мотоциклетного колеса. Зафиксируйте резьбовой конус на валу. Для этого используют болты, штифты, с которыми можно без особых сложностей снять с вала деталь, если ее заклинило в раскалываемой чурке, и вывернуть наружу.
Чтобы вытащить из полена застрявший там конус, воспользуйтесь газовым ключом. С его применением можно быстро выкрутить деталь из древесины. Поэтому не надо намертво фиксировать на валу конус – при заклинивании вам потребуется снимать цепь, поскольку не всегда есть возможность поворачивать вал электродвигателя в обратном направлении.
Вернуться к оглавлению
Вариант второй: конусы для дровокола на заказ
Поскольку при изготовлении резьбы надо выдерживать предельно высокую точность, следует понимать, что даже в умелых руках болгаркой вряд ли можно заменить качественный резец и токарный станок. Поэтому надо постараться выполнять данную деталь на станке либо поручить работу опытному мастеру.
При заказе конусного винта для дровокола токарю надо оставить как можно более подробные схемы требуемой детали и указать параметры. Обычно используют такие: конусность – 1:2, резьба двухзаходная, с шагом 5-6 мм. У резьбы должен быть такой же профиль зуба, как у самореза, предназначенного для дерева.
При работе на дровоколе необходимо осуществлять все действия как можно осторожнее. Из-за скорости крутящегося конуса не стоит пытаться удерживать полено, надев на руки перчатки. Подача чурбаков должна производиться только голыми руками. Перчатки или рукавицы может зацепить резьбой и стянуть с руки, а это способно серьезно травмировать пальцы или кисть.
Планы дровоколов (сделай сам)
Подготовка к зиме может оказаться сложной задачей, особенно если вы рубите собственные дрова для тепла и эстетики камина.
Разделитель журналов может сделать задачу намного быстрее и проще. Плюс,
вы можете серьезно сэкономить, купив и загрузив один из
наши планы дровоколов CAD Design
самостоятельно построить сверхмощный дровокол.
Планы разделителя древесины / бревен бывают разных форматов и размеров для упрощения Все, что вам нужно для колки дерева…
Низкий Низкие цены!!! — Приобретите проектные планы дровоколов уже сегодня!
Выбор не ограничен варианты мощности. Существуют сплиттеры с газовым, электрическим и человеческим приводом. которые предлагают варианты с горизонтальным или вертикальным сцепным устройством прицепа, или 3-х точечная навеска для тракторов. Плюс другие гидравлические или винтовые варианты разделения типов.
Чем выше номинальная вместимость бревна, тем больше мощность в лошадиных силах. он должен эффективно работать на плотных, трудно расщепляемых Североамериканские лиственные породы например, дуб, клен и железное дерево, например, саранча или другие популярные породы из вашего района или территории.
Варианты колки древесины
К наиболее популярным вариантам мощности дровоколов относятся гидравлический,
газовые и электрические дровоколы.
Как ручной дровокол, электрический
дровоколы работают бесшумно.
Ручные дровоколы
являются наиболее экономичным выбором из-за того, что их меньше
составная часть.
Ваш вариант питания также во многом будет зависеть от источника питания доступность. Сплиттеры, работающие на газе, можно брать с собой куда угодно, а электрические разветвители должны находиться рядом с источником электроэнергии.
Моторизованные гидравлические дровоколы подходят для коммерческого использования. разделение журнала, но они могут быть более опасными, если их не остановить быстро если возникнет проблема.
Дровокол горизонтальный
Горизонтальные дровоколы являются наиболее распространенным стилем и обычно включите шины вместе с язычком, чтобы зацепить его за сцепное устройство, чтобы вы может перетащить их с места на место.
Они также могут быть стационарными и могут быть настроены на запуск массовых количеств дерево сквозь них.
С горизонтальными дровоколами вы просто кладете бревно на
проследите и позвольте гидроцилиндру вдавить режущую головку в
log, поскольку он разделяет журнал пополам.
Выберите один из наших
горизонтальный дровокол
планы.
Чтобы использовать горизонтальный разделитель бревен, вы поднимаете бревна и кладете их на дровоколе двутавровая балка или система лотков для колки.
Вертикальный дровокол
Вертикальные дровоколы используют эффект помещения бревна в вертикальное положение на делителе с тараном, который вталкивает лопату в журнал, чтобы разделить его.
Вертикальный дровокол Преимущества:
Вертикальные дровоколы иногда проще в использовании из-за того, что что вам не нужно поднимать бревна настолько высоко, чтобы положить их на разветвитель. Вертикальный дровокол требует, чтобы бревна стояли на ногах. вверх, так что катите бревна на место на площадке, которая находится на уровне земли. может быть проще, чем поднять их на место.
Вертикальные дровоколы также предлагают более устойчивую платформу, когда вы
собираетесь работать на неровной поверхности или склонах.Ознакомьтесь с нашими
вертикальный дровокол
планирует посмотреть, какой из них подойдет для ваших нужд колки дров.
Маховик Дровокол
В дровоколе с маховиком кинетическая энергия сохраняется в вращающемся вес маховиков и число оборотов в минуту, что дает огромное преимущество в мощности. Несколько можно наносить удары по твердой древесине любого типа, чтобы разделить бревно пополам.
При работе с твердой древесиной маховик может остановиться при ударе перегрузки, но может восстановиться за доли секунды.Ознакомьтесь с нашими дровокол с маховиком страницу для получения дополнительной информации.
В то время как в оригинальных конструкциях делителей маховика настоящий маховик для раскалывания бревен, современные конструкции предлагают энергию маховика который приводит в действие таран, заставляя бревна раскалывать лезвие.
Винт Дровокол с приводом
Дровоколы винтового типа используют принцип прикручивания бревна. заостренный и заостренный конец к широкой лопате, которая заставляет дерево отдельно, так как оно вкручивается в бревно.
Это концепция, которая позволяет использовать множество вариантов мощности для приведения устройства в движение.
Некоторые новаторы даже подняли автомобиль и прикрепили его к колесу.
Планы дровоколов шурупов.
Руководство по эксплуатации Дровокол
С древних времен, когда люди овладели понятием огня, они рубили дрова. Ручные дровоколы легко колят дрова и безопасность в этой руке удерживаемые клинья, кувалды и топоры не могут сравниться!
Настоящие ручные дрова сплиттеры работают так же, как домкрат в багажнике вашей машины.Вы создаете гидравлическое давление, вручную проворачивая шток. толкать таран в бревно. Эта система позволяет разделять журналы с невероятная легкость и повышенная безопасность. Планы ручных дровоколов.
Ручной дровокол с скользящим молотком
Slide-Hammer Ударная сила Легко раскалывает бревна за секунды с помощью мощного скользящего молота действие. Это устройство заменяет оси, клинья и молоты для облегчения управления. Дровокол с скользящим молотком планы.
Разделяйте бревна с невероятной легкостью и повышенной безопасностью за счет размещения
наденьте клин на бревно, затем сдвиньте вал втулки молотка вверх и вниз, чтобы
разделить журнал за секунды.
Больше никаких опасных раскачиваний и поломок
рукоять топоров, или летающие и заклинившие клинья.
Как построить разделитель журналов
Для многие северные поселенцы, такие как я, рубят бревна и создают дрова могут понадобиться при подготовке к долгой холодной снежной зиме месяцы.Тепло и комфорт, получаемые от потрескивающего огня, могут превратиться холодная зимняя ночь в уютный вечер с семьей и друзьями.
Прекрасное время, чтобы расслабиться, наслаждаясь сиянием теплого камина. получение нужной вам колотой древесины может оказаться довольно сложной задачей без надлежащего орудие труда. Разделение древесины может оказаться сложной задачей с некоторыми из твердых и плотных лиственные породы Северной Америки которые растут на этих территориях.
К счастью, разделение бревен можно выполнить без необходимости.
для трудоемкого размахивания топором и молотой.Чистая рабочая сила и смазка для локтей
хороши для поддержания формы, но когда у вас есть деревянные шнуры, которые нужно расколоть,
машина для колки бревен может пролить свет на ситуацию.
Чтобы облегчить жизнь, эту работу может сделать гидравлический дровокол, а вы можете построить его сами, если хотите сэкономить. Вот несколько основных шаги к созданию собственного гидравлического дровокола.
- Вы можете начать с наброска набора планов или приобрести свой здесь планы разделителя бревен и заменяющие материалы, которые могут быть у вас поблизости свой двор и магазин.Дровоколы в основном изготавливаются с двутавровой балкой. рама, двигатель, разделительная головка, гидроцилиндр, масляный насос вдоль с клапанной системой и шлангами.
- Собрать конструкцию колесного металлического прицепа, прикрепив аксель к двутавровой балке и язычок спереди, чтобы его тянуть. Это будет основная конструкция, на которой будет собираться ваш дровокол. Это позволяет буксировать разделитель журналов на удаленные рабочие места. или ближе к куче дров, которые нужно расколоть.
- Присоедините электрический или газовый двигатель к 2-ступенчатой гидравлической системе.
масляный насос, который может перекачивать 3 галлона в минуту при давлении 2500 фунтов на квадратный дюйм. - Присоедините гидравлический клапан к гидроцилиндру и масляному баку. Типичный гидравлический цилиндр имеет длину от двух до трех футов и имеет диаметром 4 дюйма.
- Подсоедините гидравлический шланг к клапану и масляному насосу. Когда насос работает, масло под высоким давлением пойдет на клапан.В клапан затем используется для управления движением гидроцилиндра и перемещение раскалывающего клина. Давление движущегося масла будет втолкните поршень в гидроцилиндр, чтобы вытолкнуть шток и вставьте бревно в клин, который нужно расколоть.
- Вам нужно будет надежно прикрепить шланги к фитингам на верхняя часть бака гидравлического масла. Гидравлическое масло можно брать из бак и через шланг для питания гидронасоса и цилиндра по мере необходимости.Также необходимо подсоединить масляный фильтр, чтобы отфильтровать масло.
- Приварите V-образный поддон для бревен к раме, которая может удерживать
бревна на место для колки.
Лучше всего расставить кусочки
так что шток гидроцилиндра перемещается по ним при активации. - Прикрепите нажимную пластину при установке горизонтального разделителя на гидроцилиндр и режущая головка до конца балки. В клин также можно прикрепить к штоку цилиндра, но вы будете бегать в проблемы с застреванием бревна на клине и его оттягиванием иногда, когда он не полностью разделен.В зависимости от того, какой монтаж место, которое вы выбрали, на другом конце нужна стопорная пластина для бревно, чтобы упереться в или, толкатель для цилиндра, чтобы толкать журнал с.
- Это основы разделителя бревен, но всегда помните об этих механические устройства могут быть опасными, поэтому будьте осторожны!
Типовые инструменты, необходимые для сборки дровокола
- Сварочный аппарат 220 В для тяжелых условий эксплуатации
- Резак
- Гаечные ключи, шлифовальные машины и другие обычные инструменты для магазинов…
Правила веб-сайта: цифровые товары и возврат средств
Цифровые товары: Цифровые товары могут содержать фоновый водяной знак.
изображения или текст, например доменное имя нашего товарного знака.
Доставка цифровых товаров: После покупки вас перенаправляют на страницу загрузки, и ссылка для загрузки также будет отправлена на вашу электронную почту адрес, зарегистрированный в PayPal.
Возврат: В связи с их характером и тем фактом, что у нас нет контроль над удалением этих цифровых продуктов с вашего компьютера — Загрузка Покупки цифровых товаров не подлежат возврату
Мы НЕ собираем, не продаем и не распространяем данные о покупателях .Хранить ваши электронные письма о покупке для справки в качестве доказательства покупки для поддержки. Ваша квитанция / счет поступает от PayPal.
Для борьбы с мошенничеством, у нас есть система регистрации покупателей IP-адрес и сведения о загрузке. Мошенники и детали мошенников будут быть отправленным в PayPal.
Шуруповёрты для дровоколов
Дровоколы винтового типа используют принцип прикручивания бревна.
заостренный и заостренный конец к широкой лопате, которая заставляет
дерево отдельно, так как оно вкручивается в бревно.Это простая концепция:
позволяет использовать множество вариантов мощности для приведения устройства в движение.
Дровокол с винтовым приводом
Там несколько преимуществ использования дровоколного станка винтового типа, а не обычная гидравлическая или электрическая система колки дров.
Во-первых, они просты в использовании, безопасны, доступны по цене, просты в обслуживании, и иметь высокую производительность для выполнения работы. Этот тип сплиттера предлагает сменный наконечник, который работает вечно, так как они сделаны из термообработанной стали.
Самодельный шуруповерт для дерева и бревна
Создайте свой собственный делитель бревен с винтовым приводом
Идея пробивного устройства винтового типа для колки древесины пришла к нам.
существует уже давно. В общий дизайн входит большая стальная
шнек со специальным стальным наконечником винта для вставки в бревно. Это в свою очередь
заставляет журнал разделиться.
Этот тип трактора отбора мощности В дровоколе с безвинтовым креплением используется единорог конической формы. бит сплиттера, который работает совершенно иначе, чем обычный день гидравлические сплиттеры.
Основные компоненты: рама с 3-точечным креплением, коробка отбора мощности. универсальная насадка в сборе с валом, подшипником и битой, а также стопорная скоба, чтобы бревно не вращалось.
Типовая конструкция
Высокопрочная конструкция наконечника из цельной стали с глубокой прецизионной обработкой потоки.Расширяется, чтобы обеспечить разделение при проникновении конуса делителя.
Наконечники из термообработанной стали для длительного срока службы со стандартными муфта диаметра, подходящая для типичных вращающихся насадок.
Проще говоря, винт с прецизионной механической обработкой проникает в
журнал, заставляющий его разделиться.
Прижимного давления не требуется, так как винт
Наконечник втягивает бревно в шнек. Стальные наконечники сменные и могут
точить обычной пилкой для цепной пилы!
нажмите, чтобы увеличить изображение дизайна разветвителя единорога
Разработанные особенности:
- Конструкция из высокопрочной стали с прецизионной обработкой резьбой
- Усиление центральной части корешка толстостенной трубкой
- Сменный наконечник из хромированной легированной стали можно заточить с помощью напильник для цепной пилы обыкновенный
- Различные переходные пластины для тяжелых условий эксплуатации подходят практически для любого домашнего или иномарка или малолитражка
Разработан эффективный дровокол
Дровоколы винтового типа иногда используются для закрепления их на
ступица легкового или грузового автомобиля.Используя двигатель автомобиля для получения энергии,
они могут раскалывать бревна намного быстрее и эффективнее, чем любой автономный
сплиттеры, гидравлические или винтовые.
Двигатель или привод вашего автомобиля больше не подвергаются нагрузкам. линии, чем неторопливая поездка по обычной городской улице. Вы можете расколоть большой запас дров с минимальными усилиями или топливом.
Стоимость разветвителя этого типа составляет лишь малую часть стоимости разветвителя. менее эффективный автономный гидравлический сплиттер.Прочная конструкция а дизайн позволяет легко колить дрова.
Дровоколы винтового типамогут питаться разными способами, в том числе электрическими. с электроприводом или газом, как показано на эскизах выше. включить вал отбора мощности, как на указанном выше мини-погрузчике, или другой механический варианты, включая такие устройства, как Stickler Splitter, который прикрепляется к ступица колеса автомобиля. Эти варианты винтовых приводов обеспечивают разнообразие выбора власти.
Чертежи дровокола с маховиком
С дровоколами оригинальной конструкции с маховиком кинетическая энергия снижается.
сохраненные во вращающихся маховиках вес и число оборотов в минуту, обеспечивая огромную
преимущество власти.
Можно нанести несколько ударов, чтобы проехать через любую
тип текстуры древесины твердых пород для колки бревна. С плотной твердой древесиной
маховик может заглохнуть при ударе перегрузки, но может восстановиться при расколе
второй.
Современный Сплиттеры с маховиком работают иначе. Кинетическая энергия сохраняется во вращающемся дровоколы маховики. Эти маховики прочно прикреплены к неразъемной шестерня. Для передачи мощности от ведущей шестерни на бревно, рейку передача включается кулачковым методом.Реечная шестерня теперь полностью включена и заблокирован в ведущей шестерне, выдвигается с усилием от 12 до 24 тонн.
Из-за веса маховика и частоты вращения, установлен на шарикоподшипниках. и прикрепленная к раме ведущая шестерня имеет огромное преимущество в мощности. В конце полного хода 24 дюйма стойка подпружинена вверх. и назад отключает блокировку кулачка и немедленно возвращается, чтобы начать позиция.
Принцип работы дровокола с маховиком
Маховик
конструкции дровоколов предлагают множество запатентованных форм для забивания тарана в
кусок дерева, чтобы разделить его на отдельные части.
С помощью маховика это действие разделителя бревен может быть мгновенно срабатывает, чтобы включить или выключить момент маховика с приводом от двигателя.
Это, в свою очередь, запускает работу трансмиссии, включая сцепление. который передает энергию маховика, когда он используется для приведения в движение гидроцилиндра на кусок дерева, чтобы расколоть его быстрым движением по сравнению с обычным гидроцилиндры с гидравлическим приводом.
Функции безопасности позволяют сопротивлению эффективно отключать двигатель, если нагрузка на маховик становится достаточно большой, чтобы вызвать перегрузку двигателя.
Эта система гидроцилиндров с реечным приводом обеспечивает гораздо более быстрый цикл время, чем то, что встречается с обычными дровоколами.
Дровокол с маховиком Super Split
Дровокол SUPER SPLIT® — это полуавтоматическая машина, спроектированная
помня о безопасности. Из-за этой функции безопасности каждый цикл должен
активироваться вручную.
Однако после активации он завершит
полный цикл и вернуться в исходное положение.Однако стойка может
можно в любой момент отключить, нажав на ручку управления.
При работе с очень плотной древесиной маховик может заглохнуть при перегрузке. Маховик время восстановления составляет около 1/2 секунды, и можно нанести несколько ударов по вождению. через любую твердую древесину. Если вы когда-нибудь размахивали тяжелой булавой нанесите сильный удар по бревну, вы легко поймете, почему древесина SUPER SPLIT® Принцип колки предлагает более эффективную систему колки древесины.
Современные дровоколы с маховиком производят больше дров за меньшее время!
Дровокол с винтажным маховиком
Винтажные пирамидальные дровоколы с маховиком
Винтажный дровокол с ременным приводом
youtube.com/embed/uaCB4HH6swY» frameborder=»0″ allowfullscreen=»»>
Дровокол с маховиком Vintage Pedestal
Планы ручного дровокола
С древние времена, когда люди овладели понятием огня, они были колоть дрова.Колка бревен вручную топором или молл может быть чрезвычайно сложный процесс, а также трудоемкий и, возможно, опасный.
Чтобы сэкономить время и силы, вместо того, чтобы использовать топор или молот для расколоть большое количество древесины, рассмотрите возможность использования гидравлической системы с ручным управлением разделитель бревен для сокращения времени и рисков. Ручные дровоколы имеют возможность колоть много дров с легкостью и безопасностью, которая раскалывается, кувырки и топоры просто не сравнятся!
Дровокол с ручным управлением во многом работает так же, как и шиномонтажный станок.
домкрат из багажника вашего авто работает.Вы создаете гидравлическое давление
вручную проворачивая шток для увеличения давления гидравлической жидкости, которое
толкает барана острием клина в кусок дерева или бревно, чтобы расколоть его.
Ручной дровокол
Как создать ручной разделитель журналов
Механизированные дровоколы очень эффективны для колки больших объемов, но они могут быть довольно дорогими.В отличие от дровоколов с электроприводом, которые работать с помощью гидравлического или механического насоса для создания давления, ручные дровоколы требуют человеческих усилий, чтобы перекачать рычаги, которые гидроцилиндр в бревно.
Ручные дровоколымогут быть сконструированы для работы вручную или пешком. Большинство операторов считают, что дровоколы с ножным приводом намного проще использовать, так как ноги обладают большей силой, и это освобождает руки, чтобы держать и направьте бревна по мере необходимости в разделитель.
Дровокол можно собрать в домашних условиях из простых деталей
и несколько промышленных инструментов, таких как сварщик и горелка.
Как и в случае с любой другой техникой,
крайне важно принять надлежащие меры предосторожности, чтобы избежать
травмы при сборке и эксплуатации ручного дровокола.
Гидравлический дровокол с ручным приводом относительно дешев в изготовлении. и может сэкономить часов времени, и избавит вас от болезненных травм спины и плеч.
Детали ручного дровокола
Базовая конструкция гидравлического дровокола
Шаг 1. Соберите необходимые материалы
Чтобы построить дровокол с гидравлической насосной системой, вам нужно: необходимы следующие материалы:
- Гидравлический цилиндр подходящего размера
- Гидравлический бак на 5 галлонов
- Гидравлический регулирующий клапан
- Гидравлические шланги
- Стальные лезвия длиной 10 дюймов, толщиной ¼ дюйма и шириной 4 дюйма (4)
- Стальная труба длиной около 20 дюймов и толщиной 2 дюйма для поддержки лопата
- Стальная опора и система клиньев для базовой конструкции разветвитель
Шаг 2 — Постройте систему лопаточных лезвий
Начните с сварки 4 лезвий крест-накрест.
Ты
может оказаться полезным скосить внутренние углы лезвий, чтобы
их легче сварить. Начните с сварки двух лезвий вместе.
под углом 90 градусов. Повторите этот шаг с двумя другими лезвиями, затем
приварите 2 пары лезвий вместе в крестообразный узор.
Подготовьте 20-дюймовую стальную трубу, сделав на одном конце надрезы с 4 лезвиями. Надежно приварите лезвия к трубе с армированием. или наполнитель, чтобы гарантировать, что это прочная конструкция.
Шаг 3 — Установите гидравлический насос, бак и шланги
Местные центры по ремонту дома, такие как Home Depot, имеют основные гидравлические необходимы насосные системы. Рабочее давление около 1500 фунтов на квадратный дюйм должно быть подходит для среднего дровокола. Используйте данные инструкции изготовителем, чтобы правильно настроить систему гидравлического насоса.
Шаг 4 — Присоедините систему лопаточных лезвий к насосу
Убедитесь, что насос отключен, и установите ножевую систему на
собран гидронасос.
После того, как система лезвий будет надежно прикреплена,
протестируйте дровокол с бревном и отрегулируйте ножи
или насос, который может быть необходим для правильной работы.
Проконсультируйтесь с местным специалистом по обустройству дома для получения дополнительных рекомендаций. если у вас есть какие-либо вопросы или опасения по поводу вашего разделителя журналов!
В чем разница между делителем бревен конического типа и традиционным делителем бревен?
В наши дни, когда люди ищут возобновляемые источники энергии, древесина должна быть в списке каждого.Дерево часто встречается в нашей повседневной жизни, так как оно содержится в домах и мебели, столбах забора и дровах. Отопление твердым топливом, таким как дрова, является отличной альтернативой газу и электрическому отоплению, особенно сейчас, когда потребление электроэнергии и газа находится на рекордно высоком уровне.
Проблема
Но есть одна серьезная проблема, с которой может столкнуться каждый, решив использовать древесину в качестве возобновляемого источника энергии: ее расщепление.
Древесина представляет собой сложную полимерную структуру, состоящую из лигнина и углеводов, и ее изгиб или раздавливание может быть довольно сложной задачей, в зависимости от плотности древесины.Основное правило: чем плотнее древесина, тем она прочнее.
Решение
Разделка древесины — это трудоемкий процесс, требующий правильных инструментов и оборудования для успешного выполнения этой задачи. Чтобы решить проблему распиловки древесины, вы можете использовать дровокол, который превращает опасную работу в безопасную, легкую и автоматическую операцию. Дровокол снимает нагрузку с вашей спины, позволяя раскалывать дрова наиболее эффективно.
Дровокол идеален для всех, у кого есть открытый огонь или дровокол. Чтобы бревна можно было легко хранить и сжигать, а также готовить к использованию, они должны быть определенного размера. Хотя иметь бензопилу для распиловки дерева — это здорово, вам все равно понадобится дровокол, чтобы расколоть большие куски дерева, которые сломают бревна до нужного диаметра.
Конусные дровоколы и традиционные дровоколы
Существует больше типов дровоколов, чем этих двух, но в этой статье мы сосредоточимся только на конических дровоколах и традиционных дровоколах.
Дровоколы конического типа
Дровоколы этого типа обладают высокой эффективностью благодаря своей форме и весу. Конус имеет сужающуюся коническую форму, простирающуюся от заостренного переднего конца до основания увеличенного диаметра. Бревно располагается рядом с острым концом воронки. Когда конус вращается, его резьба натягивает древесину на части конуса со все большим диаметром, в результате чего бревно разламывается.
Дровокол в форме конуса предотвращает застревание бревен на базовой части, помогая оператору экономить часы работы.Благодаря своей компактной конструкции и прочной конструкции конусный дровокол — незаменимая машина для людей, работающих с древесиной.
Для вашей безопасности не поддерживайте бревна вручную во время процесса раскалывания и следите за тем, чтобы никто другой не находился рядом с оборудованием во время работы.
Традиционные дровоколы
В чистом виде традиционный дровокол работает так же, как человек, рубящий дрова топором.Стандартные дровоколы основаны на системе гидравлического насоса, который либо проталкивает бревно в лезвие, либо гидравлический насос раскачивает лезвие сквозь дерево. По большей части управлять традиционным дровоколом так же просто, как положить бревно в определенное место на машине. Дровокол запускается, когда вы включаете двигатель, который проталкивает жидкость через насос. Затем насос увеличивает давление и проталкивает жидкость через клапан, который соединяется с двумя разными трубами, которые соединены с обеих сторон гидравлического поршня.Этот процесс генерирует силу, чтобы протолкнуть клин через бревно и расколоть его.
Заключение
Будь то конусный дровокол или традиционный дровокол, его использование может сэкономить вам массу часов и поможет обеспечить вашу безопасность — не говоря уже о том, что это избавит вашу спину от ужасной боли после взмаха топора!
Дровокол позволяет резать бревна одинакового размера, что значительно повышает эффективность штабелирования дров и сжигания.
Использование древесины вместо ископаемого топлива — отличный способ помочь сохранить окружающую среду, а использование бревна для разрушения больших кусков древесины — эффективное средство для управления вашим временем и энергией.Разделитель журналов выводит ваше время и управление ресурсами на совершенно новый уровень!
чертежей, фотографий, инструкций разных видов. Видеообзор, в котором подробно описано назначение детали
Для некоторых рубить дрова — старинное русское развлечение. А во многих регионах необъятной России это способ выжить и не замерзнуть зимой. А в более цивилизованных регионах в стране есть печи и камины. Покупая готовые дрова — вы экономите время, но не деньги.
Следовательно, под навесом во многих лесах лежат распиленные бревна, и они ждут хозяина с топором.
Чтобы облегчить это хлопотное занятие, русские «левши» начали делать своими руками дровокол. Такие устройства продаются в магазинах, но 90% сельских жителей с печным отоплением используют самодельные гаджеты.
Типы инструментов для колки бревен
Самодельный гидравлический бревнарезчик
Принцип действия — толкатель, приводимый в движение гидроприводом, подает бревно в клиновую систему.Для работы необходим компрессор. Он может быть электрическим или собранным на внутреннем топливе. Конструкция достаточно эффективна и надежна, так как механических деталей мало. В обслуживании нуждается только сама гидравлика.
Дровокол промышленный гидравлический
Сделать его самостоятельно достаточно проблематично, если не получить гидропривод от списанной сельхозтехники.
На видео показан пример работы самодельного дровокола. Как видно из видео, ничего сверхсложного в его конструкции нет.Ход главного гидроцилиндра от шнека комбайна 50 см.
Толкатель приводится в движение парой «зубчатая рейка», механизм понятен из рисунка. Привод может быть электрическим или бензиновым. Крутящий момент от вала электродвигателя умножается на редуктор.
С помощью рычага зубчатая рейка прижимается к вращающемуся тяговому механизму, подавая толкатель на бревно.
Затем пружина возвращает механизм в исходное положение.Такой дровокол не такой мощный, как гидравлический.
Впрочем, для домашнего использования вполне подходит. Стоимость устройства вполне доступная. Недостаток — быстро изнашивается рабочая шестерня и требуется замена пары.
Такое приспособление можно сделать своими руками.
В этом видеоролике представлен самодельный делитель зубчатой рейки и шестерни с ременным приводом. Ничего особенного, простая и эффективная конструкция, производительность выше, чем у гидравлического бревна.
Шуруповёрт (конический) дровокол
Самодельный шуруповёрт
Самая популярная конструкция данного приспособления. Доступны в различных размерах и ценовых диапазонах. Принцип работы прост — бревно подается на вращающийся конус, выполненный в виде архимедова кардана.
Заготовка дров требует значительных усилий: их нужно распилить, нарезать, сложить для просушки. Большая часть энергии уходит на рубку дров.
Дровокол может облегчить и ускорить процесс.Они представлены в достаточном количестве, но стоят больших денег. При этом из металлолома можно сделать простейший дровокол своими руками — трубы, уголки и т. Д. На все уйдет буквально несколько тысяч — если металла нет, придется его покупать.
Дровокол механический
Если объемы дров небольшие, их легко обработает механический дровокол. Они отличаются простотой конструкции, минимальным количеством сложных узлов, а также тем, что затраты минимальны, даже если в хозяйстве нет подходящих железок.
Дровокол простой своими руками: механика
Самый простой механический дровокол напоминает колодезный кран. Конструкция один в один, вместо ведра крепится только резак и ручки. Соединение стойки (стоек) и перекладины можно сделать наиболее простым — шарнирным. Требуется только хорошая смазка.
Принцип работы наверное всем понятен. Блок ставится на опору, рычаг резко опускается вниз, за счет силы инерции резец приобретает значительную силу и раскалывает блок.Процесс повторяется до получения бревен необходимой толщины.
Собрать такой механический дровокол своими руками несложно, а буквально из того, что есть — труб, уголка любого размера, в качестве резака можно использовать даже топор. Кроме того, такую конструкцию можно сделать разборной — чтобы ее можно было носить с собой.
Минусов много. Рубить дрова требует больших усилий. Кроме того, прилагаются больше усилий, чтобы остановить движение тесака после того, как бревно развалилось.Второй минус — такой дровокол занимает прочную площадь, ведь чем длиннее рычаг, тем меньше усилий нужно приложить. Тем не менее даже такое примитивное механическое устройство значительно снижает трудоемкость процесса.
Один из вариантов — скалыватель приваривается к квадратной трубе, залитой бетоном
В этой конструкции тесак должен быть тяжелым. Поэтому сам клинок приваривается к цельнометаллической заготовке. Более доступный вариант — приварить его к трубе (круглой или квадратной) и залить бетоном.Согласитесь, сделать такой дровокол своими руками под силу каждому, кто умеет обращаться с
.Дровокол пружинный
Имеется модифицированная конструкция ручного механического дровокола, который при меньших размерах лучше колет дрова, требует меньших усилий. В этой модели основным рабочим узлом является пружина, которая закреплена на станине, а ее верхняя часть упирается в неподвижную перекладину, на которой закреплен тесак.
В этой конструкции основное усилие — удерживать нож после раскола бревна — берет на себя пружина.Соответственно, главное подобрать пружину и упор так, чтобы прилагались минимальные усилия, но их хватило, чтобы расколоть даже сложный, узловатый брусок. Пружинную опору можно сделать подвижной. Затем вы можете настроить параметры для конкретных условий. На самом деле «переналадка» нужна конкретному человеку. Если с инструментом будет работать один человек, то все можно делать стационарно, эмпирически подобрав высоту.
Не менее важно сделать подвижное соединение между рамой и рычагом, на котором закреплен тесак.Оптимальный вариант — подшипники. Они должны быть качественными, желательно самовыравнивающимися.
Минимальная высота самодельного дровокола — около 800 мм. Но тогда придется либо работать, наклоняясь, либо установить станок на стол / кровать. Под ваш рост сделан более удобный вариант, требующий минимальных усилий. Определите, на какой высоте вам удобно стоять бревно, к этой цифре прибавляете высоту самого блока, получаете высоту кровати.В этом случае вам также придется наклониться, но только тогда, когда вы установите подушку на подставку, а не каждый раз, когда нож будет опускаться.
Можно работать одной рукой или придумать зажим для размещения бревен (безопаснее) Подвижный узел шарнира и пружинное крепление — несколько вариантов
Для придания конструкциям подвижности приварена рама, с одной стороны которой закреплены колеса, с другой приварены упоры. Сделать такой дровокол своими руками несколько сложнее, но при наличии пружины и подшипников это такая непростая задача.
Дровокол инерционный вертикальный
Еще один простой вариант для самостоятельного изготовления. Чтобы сделать такой колокол своими руками, вам понадобятся две трубы большего и меньшего диаметра. Также понадобится тяжелая пластина — основа, и, собственно, пробивающая часть — резак / тесак.
Конструкция одна из самых простых, не требует особых усилий. На массивную площадку закрепляют толстостенную трубу, а лучше — шпильку. Высота — около метра. Это ведущая труба.По нему свободно движется скалыватель, который приваривается к кольцам трубы с диаметром чуть большим, чем ведущая труба. Он рубит дрова следующим образом: поднимите тесак и отпустите его. Можно немного ускориться. Под действием силы тяжести бревно раскалывается.
Тяжелый тесак — залог успеха этой модели.
Но этот механический дровокол не сразу раскалывает все брусочки. Для повышения его эффективности на тесак можно сделать утяжелитель.Его можно «добавить» по мере необходимости. Второй вариант — пару раз ударить по колонне молотком. Этот способ хорош, если фреза застряла в дереве. Альтернатива — поднять вместе с блоком вверх и резко опустить. А вот молотком размахивать проще.
Дровокол электрические
Ручной дровокол, конечно, облегчает заготовку дров, но все же требует больших физических усилий. Не так сильно, как если бы они махали обычным тесаком, но все же… Электродвигатель помогает сделать еще меньше усилий. На его основе изготавливают дровоколы различной конструкции. Но сделать такой колокол своими руками сложнее. Здесь устройство более сложное, и требуются хотя бы минимальные знания в области электротехники — желательно.
Винт (конический)
Одна из самых распространенных моделей — конусный или винтовой дровокол. Разница между ними только в отсутствии / наличии резьбы на прокалывающем элементе, который в данной модели выполнен в виде конуса.
Чурбакс раскалывается из-за того, что вращаемый мотором конус врезается в древесину, постепенно разрывая ее на части. У больших бревен сначала скалываются края, затем раздирается середина.
Варианты конуса и резьбы
Сначала режущую часть превратили в гладкий конус. Если вы используете гладкий конус, вам придется во время работы достаточно сильно опираться на блок, чтобы цилиндр «врезался» в древесину. Процесс намного проще, если на его поверхности нарезать резьбу.В этом случае блок как-то навинчивается на саморез, а потом трескается.
Главное правильно сделать конус с резьбой. Если у вас есть токарный станок и опыт работы, можно попробовать сделать самому. В противном случае вам придется заказать. Нить изготавливается по-разному, но оптимальными признаны следующие параметры: шаг 7 мм, глубина 3 мм (минимум — 2 мм). Еще один важный момент — глубина посадочного места на мотор-редукторе была не менее 70 мм.
Если есть конус с резьбой, сделать этот дровокол своими руками не составит труда.
Электродвигатель и коробка передач
Требуется электродвигатель достаточно мощный (2 кВт и выше или 5-9 л / с), но с небольшой скоростью: 250-600 об / мин. При 250 об / мин и ниже он очень медленно раскалывается, а при более 500 об / мин работать опасно, так как может вырвать полено из рук.
Если вам удалось найти двигатель с такими параметрами, вы можете надеть изготовленную насадку (винт) прямо на коленчатый вал (на фото выше).Если оборотов больше, необходимо установить редуктор или сделать цепную или ременную передачу для снижения скорости.
Рассчитайте передаточное отношение в зависимости от частоты вращения двигателя. Например, есть двигатель на 900 об / мин. Сделав коробку передач 1: 2, получаем 450 об / мин. Самый лучший вариант.
Коробка передачможет быть ременной или цепной. Цепи работают во много раз громче, требуют постоянных ходов, и обычно дороже вырезать звездочки с необходимыми параметрами.Желательна двойная ременная передача (как на фото выше). В этом случае проскальзывания будет меньше.
Цепной привод более шумный, но более надежный Удлинитель гребного винта — чтобы рабочая зона не приближалась к двигателю или ремням / цепям
Где разместить двигатель
Если конструкцией предусмотрено наличие трансмиссии, мотор лучше поставить внизу, а сам винт закрепить на рабочей поверхности. Выбирайте высоту рабочей поверхности под свой рост, чтобы вам не приходилось работать на наклоне.
Более безопасная модель. Изготовление такого кола для дерева своими руками значительно облегчит вам жизнь.
Есть еще такой параметр, как высота шурупа над рабочей поверхностью. Зазор от стола до баллона должен быть в районе 8-20 см. Его не стоит ставить выше — он может вывернуть деревянные бруски небольшого диаметра. Оптимальное расстояние 8-12 см. Даже небольшие деревянные бруски не поворачиваются.
Дровокол гидравлический
Гидравлический дровокол — самый мощный, но при этом самый сложный и дорогой в изготовлении.Помимо станины, двигателя и режущих ножей необходим гидроцилиндр достаточной мощности. Стоят они недешево. Кроме того, вам также понадобится маслобак и помпа.
Дровокол гидравлический развивает солидные усилия, поэтому при его изготовлении используется металл значительной толщины — 6-10 мм в зависимости от мощности привода. Развитого усилия вполне достаточно, чтобы разбить подушку на 6-8 поленьев за раз. Поэтому ножи делаются в форме «звездочки».
При изготовлении ножей их разделяют на несколько сантиметров. Так что в работе только один. Например, сначала — по горизонтали, потом — по вертикали, потом — вправо и в конце — слева. При этом укрепите каждый из ножей, приварив усиливающие пластины с обратной стороны. Желательно использовать твердую сталь, предварительно заточив ее по тому же принципу, что и на тесаках.
Похожие видео
Материал отправим вам на почту.
Рубить дрова топором — очень тяжелый труд, поэтому многие владельцы загородных домов, топящих печь дровами, стараются купить или сделать дровокол самостоятельно.Эти устройства позволяют избежать утомительного размахивания тесаком, благодаря которому вы можете нарубить гораздо больше дров за один день, ведь вам не нужно то и дело отдыхать. Из статьи вы узнаете, как сделать дровокол своими руками: чертежи, фото, инструкция помогут вам в его изготовлении.
Как работает дровокол
Существует три основных типа дровоколов, которые различаются по источнику энергии для воздействия на бревно:
- гидравлический;
- электрические;
- кинетическая (ручная).
Устройство работает по принципу гидравлического пресса. Гидравлический цилиндр толкает бревно на заостренный клин, который раскалывает дерево. Эти дровоколы приводятся в действие масляным насосом, работающим от бензинового или дизельного двигателя. Их главный недостаток — высокая стоимость качественных гидроцилиндров, блоков управления и насосов.
Дровокол электрическийЭлектрические (реечные) дровоколы работают по тому же принципу, что и гидравлические.Их основа — реечная шестерня, которая толкает бревно на острый клин. Их преимущество — доступность запчастей и их невысокая цена. Такие редукторы устанавливаются на другое подобное оборудование. Электрические (конусные) дровоколы работают по принципу самореза. Стальной конус имеет резьбу, поэтому он вкручивается в бревно и ломает его.
Основа дровокола — металлическая труба (кран), которая навешивается на металлическую опору.На трубу устанавливается дровокол, а также различные стальные армирующие элементы. Иногда для облегчения подъема трубы используется противовес. Чтобы расколоть бревно, трубу резко опускают. Лезвие раскалывает бревно под действием инерции трубы и усиливающих элементов. Преимущество такого устройства в том, что он может быть изготовлен из любых стальных труб, которые сотрудник ближайшего пункта приема черных металлов продаст за несколько сотен рублей. Недостатком этого дровокола является то, что он использует для работы мышечную силу, поэтому человек быстро устает.
Видео: дровокол с двигателем стиральной машины Самодельный дровокол — что и как делатьЕсли есть необходимые материалы, то сделать дровокол своими руками несложно: чертежи, фото, инструкции в свободном доступе в Интернете. Для этого вам понадобится:
Полезный совет! Схема каждого дровокола должна разрабатываться индивидуально, под имеющиеся детали.Дровокол стеллажный — схема и изготовление
Проще всего изготовить дровокол реечной передачи своими руками: чертежи, фото, инструкции к которым размещены в Интернете.Его основа — мощная стальная рама, к которой крепятся клин, мотор и редуктор. Для его изготовления возьмем электродвигатель мощностью не менее 2 кВт и два шкива с соотношением диаметров не менее 1: 4. Также возможно использование редукторов от различных механизмов с передаточным числом более 8: 1. Если у вас нет электродвигателя, но есть бензиновый двигатель от пилы или триммера, вы можете подключить его. В этом случае потребуется дальнейшее увеличение передаточного числа коробки передач из-за слишком высокой скорости вращения такой мотор.Сделайте дровокол из листовой стали толщиной не менее 1 см, заточив его под углом 90 градусов. Для работы с толстыми бревнами необходимо сделать составной нож так, чтобы его толщина была не менее 5 см, а внутри его укрепить стальной заготовкой подходящей формы.
Ведущая шестерня должна быть на 4–6 см выше станины и находиться на расстоянии, равном удвоенной длине бревна от ножа. Кроме того, необходимо сделать карету, которая будет ездить на кровати.Высота каретки должна соответствовать высоте установки реечной передачи. На передней (обращенной к ножу) стороне каретки установите поперечную пластину, которая будет действовать как толкатель. Для этого используйте листовую сталь толщиной не менее 7 мм. Установите на каретку любой шарнир, который будет поднимать и опускать стойку, а также сделайте пружинное крепление, чтобы поднять стойку над шестерней. Установите и закрепите возвратную пружину, которая будет перемещать каретку в сторону коробки передач. Установите на станину рычаг, который будет прижимать стойку к шестерне.Этим рычагом вы будете управлять работой дровокола — при нажатии на рычаг рейка входит в контакт с шестерней и движется вперед. При необходимости обрежьте рейку болгаркой — она должна быть немного короче, чем расстояние от пластины подачи до ножа.
Гидравлический дровокол — материалы и чертежиЧтобы сделать гидравлический дровокол своими руками: чертежи, фото, инструкция к которым вы найдете ниже, вам потребуются:
- электрический или бензиновый двигатель мощностью более 2 кВт;
- масляный насос;
- масляный бак;
- рукава гидравлические высокого давления;
- блок управления;
- гидроцилиндр;
- Балка двутавровая или П-образная металлическая;
- уголок металлический с размером полки 30–40 мм;
- листовой металл 0.Толщина 5–2 см (желательно запастись кусочками разной толщины).
Сделайте каркас из двутавра или двутавра. Чем шире балка, тем большую нагрузку выдержит каркас и тем сложнее будет транспортировать дровокол. Поэтому оптимальная ширина балки 10–15 см. Закрепите гидроцилиндр над балкой на высоте 5–7 см и установите на конце штанги толкатель из листового металла толщиной 7–10 мм. Сделайте для ножа туловище, чтобы его можно было перемещать по кровати.
Полезный совет! Изменение длины ножа позволит колоть длинные бревна, но сделает трудным, а то и невозможным (из-за огромных нагрузок) раскол толстых бревен. Поэтому выбирайте то, что для вас наиболее важно.
Во всех сферах хозяйствования, где по тем или иным причинам становится актуальной такая работа, как рубка дров, используются дровоколы.
Современные высокотехнологичные механизмы не только легко справляются с возложенными на них функциональными обязанностями, но и отличаются простотой конструктивного устройства, поэтому при желании их можно изготовить своими руками.
Как самому сделать дровокол? Какие его виды различают? Какими техническими характеристиками должен быть наделен механизм, чтобы обеспечить бесперебойную и эффективную работу? Об этом и многом другом мы поговорим более подробно в статье.
Что такое дереворежущий станок?
Дровокол или машина для заготовки дров — это механизированное устройство, предназначенное для выполнения обрезки и раскалывания подушек, древесины на бревна.
Отличается высокими техническими и качественными показателями, функциональностью и практичностью, простотой эксплуатации и доступностью обслуживания, имеет компактные габариты и при необходимости легко транспортируется с одного места на другое.
Важной особенностью станка является длительный срок службы. Разветвители комплектуются надежными и износостойкими деталями, поэтому выдерживают любые нагрузки, могут использоваться в любых климатических условиях, обеспечивают бесперебойный рабочий процесс в течение длительного времени, не требуют регулярного дорогостоящего обслуживания.
Разновидностей дровоколов очень много. Они могут комплектоваться бензиновыми, дизельными и электрическими двигателями, различаются конструктивным устройством, делятся на профессиональные и бытовые.
Конструктивное устройство и принцип действия
Конструкция дровоколов, в том числе самодельных, довольно проста и во многом зависит от их типа. Агрегаты комплектуются следующими основными механизмами:
- Двигатель. Он может быть бензиновым или электрическим.Пользователь самостоятельно определяет, какой агрегат сможет обеспечить требуемую производительность в заданных условиях эксплуатации.
- Редуктор. Увеличивает крутящий момент, снижает частоту вращения и поддерживает постоянное давление воздуха перед каждым ударом. Он отличается надежностью, выносливостью и долговечностью.
- Рама — это неподвижная часть дровокола, изготовленная из прочного и устойчивого к механическим воздействиям металла. К нему крепятся мотор, редуктор и рабочий конус для колки и обрезки бревен.
- Подшипники. Они являются незаменимой частью опоры, поддерживают подвижную конструкцию — рабочий конус, закрепленный на валу, с заданной жесткостью.
- Рабочий конус. Изготовлен из прочного и надежного металла, имеет резьбовое сопло — кардан.
Каждый элемент конструкции дровокола можно подобрать индивидуально, в зависимости от потребностей и запросов пользователя. В этом случае устройства максимально соответствуют требованиям и обеспечивают требуемые рабочие характеристики.
В зависимости от конструктивного исполнения дровоколы различаются по принципу действия. Чаще всего на практике применяется машина для колки дров, которая укомплектована следующими агрегатами:
- Кровать;
- Редуктор;
- Двигатель;
- Рабочий конус.
Такой скалыватель работает по следующему принципу: запускает вал через редуктор, на котором, в свою очередь, расположен кардан. Он вращается, вкручивается в подушку и разбивает ее на несколько частей.
В гидравлическом дровоколе применен цилиндр, он получает необходимый заряд энергии от двигателя и способствует ее передаче на гидравлический шток, который приводит в движение упор.
Плавная работа механизма гарантирует, что лезвие без ударов входит в подушку, в результате чего она раскалывается на части и не сжимается.
Если мощности дровокола недостаточно для измельчения комков, цилиндр перестает работать, а насос работает в режиме холостого хода, что не позволяет устройству сломаться.
Распределение по критериям классификации
Дровоколыможно разделить на несколько типов, ниже мы разберем принцип деления.
По объему:
- Бытовая. Устройства обладают невысокой мощностью и производительностью, характеризуются средними техническими показателями. Их преимущества — мобильность, универсальность, компактность и возможность полноценной работы в любых климатических условиях, доступность ремонта и обслуживания, невысокая стоимость.
- Промышленный. Машины с высокими техническими параметрами, характеризующиеся большим сроком службы, отличной производительностью и возможностью длительной эксплуатации без перебоев.
Кстати бревна выложены:
- Горизонтально. Бревна укладываются в специальный горизонтальный желоб. Их преимущества: универсальность, практичность, функциональность.
- Вертикальный. Бревно устанавливается в устройства вертикально. Их преимущества: компактность, функциональность, надежность.Недостатки: необходимость неукоснительного соблюдения техники безопасности.
- Смешанный. К этому классу дровоколов относятся промышленные установки, используемые при поточном производстве дров.
По питанию двигателя:
- Электрооборудование. Оснащенные электродвигателями, они экологичны, просты в ремонте и эксплуатации, имеют компактные размеры и легко переносятся из одного места в другое.
- С бензиновым двигателем. В отличие от электрических аналогов, они могут использоваться на объектах, удаленных от централизованной сети.Они требуют минимальных затрат на обслуживание и ремонт, функциональны и высокопроизводительны.
- Тракторный. Их главное преимущество — большой рабочий ресурс.
- Мотор комбинированный. Могут оснащаться тракторным приводом и электрическим или бензиновым двигателем, используются исключительно в промышленном секторе.
По принципу работы:
- Гидравлический. Они обладают прекрасными техническими и эксплуатационными характеристиками, обеспечивают безопасный и бесперебойный рабочий процесс.
- С конусом. Дровоколы этого типа относят к винтовым механизмам с большой надежностью и мощностью. Их особенностями являются простая конструктивная конструкция, приемлемая стоимость и отличные показатели качества.
В пути
- Стационарный. Это прочные машины или массивные промышленные модели, которые сложно транспортировать.
- мобильный. Оборудован колесами для облегчения перемещения устройств.
Перед тем, как выбрать конкретный вариант дровокола, необходимо определиться, с какой интенсивностью он будет использоваться, от этого во многом зависят его технические характеристики.Основные технические характеристики машин:
Требования к механизмам
- Высота от пола до конуса около 80 см.
- Минимальная мощность двигателя от 2 кВт.
- Посадка на редуктор или вал двигателя плотная.
- Материал конуса — твердая сталь.
- Оборудован радиатором охлаждения масла и жесткой рамной конструкцией.
- Наличие функции подогрева масла в гидросистеме.
Пошаговый план изготовления винтовой машины
Самодельный дровокол с шурупом изготовить очень просто. Из комплектующих вам потребуются конус-насадка с резьбой, рама из прочной и устойчивой к механическим нагрузкам стали, двигатель определенной мощности, редуктор и вал.
Мотор и редуктор прикреплены к станине. Рабочий конус установлен на валу и приводится в движение через редуктор с помощью двигателя.Важно учитывать:
- Запрещается подключать насадку непосредственно к двигателю, это противоречит правилам техники безопасности.
- Ременно-цепной привод необходимо поместить в специальный защитный кожух.
- Электрическая часть дровокола должна выполняться квалифицированным специалистом.
- Допустимая скорость вращения форсунки не менее 250 — 300 об / мин. Если меньше, то скалыватель будет работать с минимальной производительностью.
Технология производства гидравлических скалывателей
Сделать самодельный гидравлический дровокол на порядок сложнее конусного.Самая сложная часть устройства, которую необходимо изготовить, — это гидравлическая часть, которая состоит из гидроцилиндра с толкателем, блока управления потоком гидравлической жидкости и насоса, масляного бака и двигателя, приводящего в действие насос. .
Все эти механизмы можно приобрести в специализированных магазинах по доступной цене.
Основа самодельного дровокола — это каркас. Рекомендуется делать его из особо прочного материала, устойчивого к механическим воздействиям.
При проектировании рамы самодельного дровокола необходимо предусмотреть его установку на колеса или готовое шасси. В будущем это позволит легко и быстро перемещать устройство к месту работы.
Четкой схемы, как сделать тесак своими руками, нет, так как в его конструкции допускается множество нюансов, все зависит от выбранных исходных механизмов.
Прежде чем делать самодельный прибор, желательно оценить его экономическую выгоду.Если нужно немного дров, то лучше их купить, чем тратиться на изготовление тесака.
Машину для рубки дров своими руками сделать несложно, главное заранее запастись необходимыми комплектующими. Самодельный гидравлический нож для ножа работает эффективнее ножа для конуса, но его структурная конструкция на порядок сложнее.
Рубить дрова — занятие трудоемкое, сложное и не всегда приятное.Но в стране, куда не подводится газовая труба, без дров не обойтись. Особенно зимой, когда нужно отапливать не только дом, но и баню, которую часто используют. Поэтому придется махать топором или покупать специальный станок, который называется дровокол. Правда, недешево. Поэтому многие дачники и дачники сделаны из подручных материалов. Причем конструкция у него не очень сложная, плюс есть довольно большой модельный ряд.Так что вы сможете выбрать нужный вариант.
Виды самодельных дровоколов
Чтобы сделать самодельный дровокол, нужно выбрать самый простой вариант. Их два:
- Это стационарный нож, в который под давлением подается брусок.
- Это вращающийся конус, который врезается в подушку и разрезает ее пополам.
Рассмотрим оба варианта и ответим на вопрос, как самому сделать бревно-разветвитель.
Первая модель самодельного дровокола
Для того, чтобы собрать дровокол своими руками, вам понадобятся следующие комплектующие и детали.
- Электрический или бензиновый двигатель.
- Гидравлический насос.
- Гидравлический цилиндр.
- Металлическая пластина толщиной 5 мм, которую нужно будет заточить на одну фаску.
- Материалы для сборки кровати.
Рама дровокола изготовлена из швеллера №22, на один из концов которого приварен подготовленный топор. На противоположном конце установлен гидроцилиндр. Кстати, этот агрегат вместе с гидронасосом можно позаимствовать у любого самосвала.Заправлен техническим маслом, его можно использовать. Главное, чтобы внутри системы не оставалось воздуха.
Поперек канала рядом с каналом установлена площадка, на которой установлен гидронасос. Двигатель тоже устанавливается сразу. Все элементы гидросистемы соединены между собой шлангами высокого давления. Когда насос создает давление, техническое масло будет давить на внутренний поршень гидроцилиндра, а его шток будет выдавливаться из корпуса.Это создает горизонтальное поступательное движение.
К концу стержня дровокола прикреплена пластина, которая действует как толкатель. Установив бревно одним концом к поршню, а другим концом к ножу, при движении вперед подушечка будет разрезана об острый край ножа. То есть принцип работы самодельного дровокола заключается в том, что одна его часть толкает бревно на вторую распиловку. При этом колодка должна лежать горизонтально и срезаться по торцу.
Следует отметить, что самодельный дровокол такого типа — не самый простой вариант. Его конструкция довольно сложна. Здесь нужно знать схему подключения шлангов, правильно отрегулировать давление внутри гидросистемы и выбрать подходящий двигатель для гидронасоса. Поэтому собирают этот дровокол, как правило, мастера, простому обывателю это под силу.
Данная конструкция может быть изменена путем замены сложной гидравлической системы на механическую.Для этого потребуются рейка и шестерня, как показано на фото выше. Когда шестерня вращается, зубчатая рейка движется. То есть вращательное движение переходит в поступательное. Колесо установлено на валу редуктора, рейка закреплена на штанге прижимного устройства. Коробка передач связана с двигателем. Такой механический дровокол проще в эксплуатации и обслуживании. Плюс к этому он проще в сборке, да и сложных сборок в нем нет.
Вторая модель самодельного дровокола
Это самый простой вариант, поскольку в нем нет сложных деталей.Здесь важно сделать конус, на котором нарезается резьба винта. Позволяет тянуть распиленное бревно на себя, не прилагая усилий со стороны производителя работы. Кстати, такие конусы для резчиков по дереву сегодня продаются в некоторых интернет-магазинах. Так что есть возможность не делать, а покупать готовые.
Схема сборки самореза дровокол (чертежи, фото и инструкция указаны ниже) очень проста. Есть несколько вариантов, существенно отличающихся друг от друга.Проще всего прикрепить купленный конус к валу мотора. Как видно на фото, в его конструкции есть посадочные винты, которые ввинчиваются в шпоночную канавку вала двигателя. Именно через винты крутящий момент передается на рабочий орган. В продольном направлении конус не будет двигаться, потому что он будет опираться на вырезанную подушку.
Но чтобы дровокол работал, необходимо соблюдать основные параметры электродвигателя:
- Во-первых, он должен быть достаточно мощным.Минимальный показатель мощности — 4 кВт.
- Во-вторых, частота вращения не должна быть высокой, потому что крутящий момент — это огромная нагрузка. Поэтому для дровокола рекомендуется выбирать двигатели с оборотами менее 1000 об / мин.
Второй вариант дровокола с электродвигателем (сделанный вручную) представляет собой конструкцию, включающую редуктор. Именно этот агрегат увеличивает мощность установки, поэтому в нем можно использовать двигатели малой мощности.Например, от стиральной машины старого образца. Схема сборки такого дровокола хорошо представлена на фото ниже.
Чтобы сделать дровокол своими руками с помощью коробки передач, вам понадобится несколько дополнительных деталей. А именно:
- Два подшипника.
- Один-два футляра для них.
- Полумуфты, если редуктор и двигатель соединены напрямую. Или промежуточные элементы типа ремней, цепей.
- Прочная рама, на которой будут установлены и закреплены все детали и узлы дровокола.
Такая самоделка хоть и сложнее предыдущей конструкции, но устойчива, прочна и надежна в эксплуатации. Здесь очень важно точно собрать все узлы вместе, соблюдая совмещение вращающихся элементов. Например, валы двигателя и коробки передач, выходной вал коробки передач и вал, на котором установлен конус.
В качестве модификации вышеуказанной модели существует упрощенная версия дровокола, в которой отсутствует коробка передач, как составная часть установки дровоколы.Вместо этого используются два шкива разного диаметра. На электродвигателе установлен шкив меньшего диаметра, на валу рабочего органа большего. И чем больше разница в размерах шкивов, тем выше мощность дровокола и ниже скорость вращения. Например, если частота вращения электродвигателя 1500 об / мин, то установив шкив на вал рабочего инструмента вдвое больше, чем на двигатель, то гарантировано, что скорость вращения конуса будет 750 об / мин.При этом мощность установки увеличена на 30%.
Особенности самодельных дровоколов
Как видите, сделать дровокол своими руками не очень сложно. Но нужно понимать, что это самодельное оборудование подвергается довольно большим нагрузкам. Поэтому такому элементу, как кровать, нужно уделить особое внимание. Он обязательно должен быть из металлического профиля, должен быть прочным и надежным.
В основном соединения в конструкции электросварные.Реже прикручивается. Но если производитель работ не имеет навыков владения электросваркой, то болтовое соединение — единственно возможное. Поэтому очень важно правильно подогнать каждый элемент к соединительному элементу и правильно просверлить монтажные отверстия.
Внимание! При соединении болтами необходимо не забывать о том, что под гайку необходимо подложить шайбу Гровера. Это небольшая деталь, с помощью которой не произойдет саморазвязки крепежного соединения.Ведь во время работы дровокола создаются большие колебания.
Если вы собираетесь собрать дровокол своими руками с использованием подшипников, то не стоит делать самодельные корпуса для крепления к ним. Лучше приобретать готовую стальную или чугунную фурнитуру, можно использовать. В принципе, можно заказать это приспособление для токаря, но это опять же те же затраты, что и в случае покупки готовых.
Заключение
Итак, теперь вы знаете, как сделать дровокол своими руками.Кому-то покажется, что это сложная конструкция, но многие дачники давно обзавелись дровоколами своими руками, изготовленными самостоятельно без помощи специалистов.
COUNTYLINE 30-тонный дровокол. Руководство пользователя
COUNTYLINE 30-тонный бревенчатый комбайн Руководство пользователя
ВАЖНАЯ ИНФОРМАЦИЯ ПО БЕЗОПАСНОСТИ
ОБЩАЯ БЕЗОПАСНОСТЬ
- ВСЕГДА храните руководство оператора в канистре для справки. Периодически перечитывайте руководство.
- ВСЕГДА держите посторонних и домашних животных на расстоянии не менее 10 футов от вашей рабочей зоны при работе с этим дровоколом.Во время использования рядом с разделителем бревен должен находиться только оператор.
- НИКОГДА не приводите в действие регулирующий клапан, пока все люди не покинут рабочую зону.
- ЗАПРЕЩАЕТСЯ носить свободную одежду или украшения при работе с дровоколом. При работе с этим дровоколом держите одежду и волосы подальше от всех движущихся частей.
- НИКОГДА не позволяйте взрослым, не имеющим надлежащих инструкций и знаний, пользоваться этим дровоколом.
- НИКОГДА не используйте разделитель журналов в состоянии наркотического, алкогольного или медикаментозного действия или когда вы недостаточно внимательны для работы с этим разделителем журналов.
РАБОЧАЯ ПЛОЩАДЬ
- НИКОГДА не используйте дровокол на мокрой, обледенелой, скользкой или неустойчивой земле.
- НИКОГДА не используйте дровокол в закрытых помещениях. Выхлопные газы содержат смертельно опасный угарный газ.
- Эксплуатируйте дровокол ТОЛЬКО при хорошем освещении.
- Эксплуатируйте дровокол ТОЛЬКО на ровной поверхности. Работа на склоне может привести к смещению разделителя бревен или их падению.
- ВСЕГДА очищайте рабочую зону от мусора.Немедленно удалите расколотую древесину вокруг колки для бревен, чтобы исключить возможность споткнуться.
ПОДГОТОВКА ОТЧЕТА
Оба конца бревна должны быть обрезаны как можно более квадратными, чтобы предотвратить смещение бревна во время работы делителя. Максимальная длина бревна составляет 26 дюймов.
ЭКСПЛУАТАЦИЯ ДРЕВЕСИНА
управляет делителем бревен ТОЛЬКО из зоны оператора, как показано на схеме. Использование бревенчатого ножа в другом месте может привести к серьезным травмам или смерти.
- ВСЕГДА ставьте клинья под колеса, чтобы не допустить смещения бревенчатого ножа во время работы.
- ЗНАЙТЕ, как остановить дровокол и отключить органы управления перед его использованием.
- НИКОГДА не пытайтесь колоть бревно против волокон.
- НИКОГДА не пытайтесь разделить два журнала одновременно.
- НИКОГДА не наступайте на дровокол во время работы.
- НИКОГДА не дотягивайтесь до разделителя бревен и не наклоняйтесь над ними, чтобы поднять бревно.
- НИКОГДА не пытайтесь загрузить дровокол, когда клин находится в движении.
- НИКОГДА не помещайте руки или ноги между бревном и раскалывающим клином во время прямого или обратного хода, так как это может привести к серьезным травмам или смерти.
- НИКОГДА не используйте ногу, веревку или какое-либо удлинительное устройство для управления рычагом управления на клапане. Используйте только руку.
- НИКОГДА не прикасайтесь к глушителю и другим горячим участкам двигателя во время работы. Подождите, пока двигатель остынет.
- НИКОГДА не перемещайте дровокол при работающем двигателе. Выключите двигатель, если вы покидаете дровокол, даже на короткое время.
ГЕНЕРАЛЬНЫЙ РЕМОНТ
- НИКОГДА не используйте дровокол, если он находится в плохом механическом состоянии или нуждается в ремонте.
- НИКОГДА не модифицируйте дровокол. Такие изменения могут привести к небезопасности вашего бревна и аннулируют гарантию.
- НИКОГДА не выполняйте какие-либо работы по обслуживанию или ремонту своего дровокольного станка, не отсоединив предварительно провод свечи зажигания.
- НИКОГДА не изменяйте настройки двигателя. Максимальная частота вращения двигателя устанавливается производителем и находится в пределах безопасности.Обратитесь к руководству по эксплуатации двигателя, чтобы узнать о вашем конкретном дровоколе.
- ВСЕГДА выполняйте все рекомендуемые процедуры обслуживания перед использованием бревна.
- ВСЕГДА проверяйте уровень гидравлического и моторного масла перед работой.
- НИКОГДА не пытайтесь освободить застрявшее бревно руками при работающем дровоколе.
- ВСЕГДА немедленно заменяйте все поврежденные или изношенные детали.
- ВСЕГДА периодически проверяйте затяжку всех гаек, болтов, винтов, гидравлических фитингов и шланговых зажимов.
- ВСЕГДА убедитесь, что все запасные части соответствуют спецификациям производителя.
ТЕХНИЧЕСКОЕ ОБСЛУЖИВАНИЕ И БЕЗОПАСНОСТЬ
- Механическая и гидравлическая системы вашего дровокола требуют тщательного осмотра. Обязательно замените поврежденные гидравлические шланги или гидравлические компоненты.
- НИКОГДА не проверяйте рукой на утечки гидравлической жидкости. Вытекающая из небольшого отверстия жидкость может быть почти незаметной. Вытекающая под давлением жидкость может иметь достаточную силу для проникновения через кожу, вызывая СЕРЬЕЗНЫЕ ТРАВМЫ или даже СМЕРТЬ.Утечки могут быть безопасно обнаружены, если провести кусок картона над предполагаемой утечкой и поискать изменение цвета.
- НИКОГДА не снимайте крышку с гидравлического бака при работающем дровоколе. В баке может находиться горячее масло под давлением, что может привести к серьезным травмам.
- НИКОГДА не изменяйте настройку предохранительного клапана. Клапан сброса давления на вашем дровоколе предварительно настроен на заводе. Эту регулировку должен выполнять только квалифицированный специалист по обслуживанию.
- ВСЕГДА немедленно обратитесь за медицинской помощью, если вы получили травму в результате утечки гидравлической жидкости.Если немедленно не начать лечение, может развиться серьезная инфекция или реакция.
- ВСЕГДА убедитесь, что система не находится под давлением, выключив двигатель и перемещая ручку управления клапаном вперед и назад, если возникнет необходимость ослабить или снять какой-либо гидравлический фитинг.
ПРЕДУПРЕЖДЕНИЕ ПОЖАРА
- Заправляйте дровокол ТОЛЬКО в чистом месте, где нет дыма или пролитого газа.
- НИКОГДА не используйте дровокол рядом с пламенем, искрами или дымом во время работы.Гидравлическое масло и бензин легко воспламеняются и могут взорваться.
- НИКОГДА не доливайте топливо при горячем или работающем двигателе. Перед заправкой дайте двигателю остыть.
- Если пролился бензин, переместите дровокол подальше от места разлива и избегайте создания каких-либо источников возгорания до тех пор, пока пролитый газ не испарится.
- ВСЕГДА надежно заменяйте крышку бензобака.
- ВСЕГДА удаляйте древесный мусор в области глушителя двигателя.
- ВСЕГДА храните бензин в одобренных, плотно закрытых контейнерах и вдали от нагревательных приборов.Храните емкость в сухом прохладном месте.
ВАЖНОЕ ПРИМЕЧАНИЕ — (на искрогасителе):
В качестве меры предосторожности против возможных летящих искр всегда берите с собой огнетушитель класса B при работе с этим дровоколом в сухих местах. Этот дровокол оснащен двигателем внутреннего сгорания, и его нельзя использовать на или рядом с неулучшенной лесной, заросшей кустарником или травой землей, если выхлопная система двигателя не оборудована искрогасителем, отвечающим применимым местным или государственным законам ( если есть).Если используется искрогаситель, оператор должен поддерживать его в рабочем состоянии. В штате Калифорния по закону требуется искрогаситель. В других штатах есть аналогичные законы. На федеральных землях действуют федеральные законы. Глушитель с искрогасителем не является обязательным и доступен в качестве аксессуара у ближайшего дилера по продаже двигателей. Всегда проверяйте закон.
БУКСИРОВКА
- НИКОГДА не перевозите на дровоколе грузы или дрова.
- НИКОГДА не позволяйте никому сидеть или кататься на вашем дровоколе.
- НИКОГДА не перемещайте дровокол по холмистой или неровной местности без буксира или соответствующей помощи.
- НИКОГДА не превышайте грузоподъемность шара или пределы нагрузки муфты.
- НИКОГДА не буксируйте дровокол на скорости более 45 миль в час. Буксировка бревна на скорости выше 45 миль в час может привести к потере управления, повреждению оборудования, серьезной травме или смерти. Отрегулируйте скорость буксировки в соответствии с местностью и условиями. Будьте особенно осторожны при буксировке по пересеченной местности и избегайте крутых поворотов и крутых углов при буксировке бревна.
- ВСЕГДА прикрепляйте предохранительные цепи при буксировке бревна.
- ВСЕГДА проверяйте герметичность муфты каждый раз перед буксировкой и после буксировки 50 миль.
- ВСЕГДА будьте осторожны при движении задним ходом с буксируемым дровоколом. Это мог складной нож.
- ВСЕГДА учитывайте дополнительную длину бревна при поворотах, парковке и пересечении перекрестков, а также во всех дорожных ситуациях.
- ВСЕГДА отсоединяйте дровокол от тягача перед работой.
- ВСЕГДА подтверждайте все местные и государственные правила, касающиеся буксировки, лицензирования и освещения, перед буксировкой бревна.
- ВСЕГДА проверяйте перед буксировкой, чтобы убедиться, что бревенчатый нож правильно и надежно прикреплен к буксирующему транспортному средству и что предохранительные цепи прикреплены к сцепному устройству или бамперу транспортного средства с достаточным провисанием, чтобы обеспечить возможность поворота. Всегда используйте 2-дюймовый шар класса I или выше для подключения к дровоколу.
- ВСЕГДА заменяйте шар или муфту, если они повреждены.
- ВСЕГДА переводите запорный топливный кран на двигателе в положение «ВЫКЛ.» Перед буксировкой бревна. Несоблюдение этого может привести к заливанию двигателя и повреждению моторного масла.
ИНСТРУКЦИЯ ПО СБОРКЕ
НЕОБХОДИМЫЕ ИНСТРУМЕНТЫ
- Большая отвертка Philips
- Молоток или лом
- Ленточный резак
- Гаечные ключи на 17, 19, 22 и 32 мм
ШАГ 1: Распакуйте устройство
1.1 Удалите внешнюю гильзу картонной коробки, затем снимите боковые и верхнюю части ящика с помощью молотка или лома.
1.2 Удалите бревенчатый стол из ящика.
ШАГ 2: Снимите буксировочное устройство и закрепите ручку на регулирующем клапане
2.1 Снимите буксирную балку с ящика.
2.2 Снимите фиксирующий штифт ручки клапана с клапана и установите ручку в вертикальное положение
ШАГ 3: Поверните и закрепите балку на рабочей высоте
3.1 Снимите детали 55,79 и 80 (болт с шестигранной головкой M14x30, стопорная шайба Ø14, плоская шайба Ø14) с вращающегося механизма.
3.2 Поднимите конец балки за опору и качните вперед.
3.3 Закрепите шарнир балки, переустановив детали 55, 79 и 80.
ШАГ 4. Поверните и закрепите балку
4.1 Снимите два набора деталей 57, 65 и 95, окрашенных в красный цвет (красные шестигранные болты M12x35, плоские шайбы Ø12 и стопорные шайбы
Ø12) с внешней части вращающегося узла.
4.2 Ослабьте два других болта на вращающемся узле, что позволит собрать балку в сборе. вращать.
4.3 Поверните балку на 90 градусов вперед, одновременно поднимая балку в вертикальное положение.
4.4 Установите на место красные болты и затяните два других внешних болта.
4.5 Ослабьте соединитель гидравлического шланга гаечным ключом на 32 мм или разводным ключом, отрегулируйте гидравлический шланг до положения без перегиба, затем снова затяните соединитель
ШАГ 5: Присоедините буксировочное устройство в сборе
5.1 Вставьте тягово-сцепное устройство в сборе во вращающийся механизм, закрепите с помощью деталей 24, 65 и 13 (болт с шестигранной головкой M12x150, плоская шайба
Ø12 и нейлоновая контргайка M12).
Примечание. Болт с шестигранной головкой M12x150, плоская шайба Ø12 и нейлоновая контргайка M12 предварительно собраны в буксировочной балке.
ШАГ 6. Установите пробку заливного отверстия
6.1 Опустите балку в горизонтальное положение.
6.2 Удалите деталь 26 (заливная пробка) из канистры с ручным приводом и замените пластиковую пробку. Пластиковую заглушку можно выбросить.
ШАГ 7. Присоедините таблицу журналов
7.1 Прикрепите элемент 100 (бревенчатый стол) к балке с помощью элементов 85, 98 и 65 (болт с шестигранной головкой M12x30, стопорная шайба Ø12 и плоская шайба Ø12).
ШАГ 8: Извлеките готовый блок из нижней части ящика
8.1 Снимите опору двигателя с помощью гаечного ключа на 17 мм и стальные противооткатные упоры.
8.2 Снимите разделитель с ящика.
8.3 Убедитесь, что все крепежные детали затянуты.
ШАГ 9: Проверьте уровень масла в двигателе
9.1 Двигатель предварительно заправлен маслом SAE10W-30 (см. Руководство по эксплуатации двигателя)
9.2 Убедитесь, что разделитель бревен находится на ровной поверхности
9.3 Снимите крышку заливной горловины / масляный щуп, проверьте уровень масла и при необходимости долейте
9.4 Замените масло крышка заливного отверстия / масляный щуп
ПРИМЕЧАНИЕ: В период обкатки часто проверяйте уровень моторного масла.
ВНИМАНИЕ
НЕ ПЫТАЙТЕСЬ провернуть или запустить двигатель, пока он не будет должным образом залит рекомендованным типом и количеством масла. Повреждение разделителя бревен в результате несоблюдения этих инструкций аннулирует вашу гарантию.
ШАГ 10: Добавьте бензин в двигатель
10.1 Используйте только чистое, свежее, обычное неэтилированное топливо с октановым числом не менее 87.
10.2 НЕ смешивайте масло с топливом.
10.3 Снимите крышку топливного бака и медленно долейте топливо в бак.НЕ переполняйте, оставьте примерно ¼ дюйма пространства для расширения топлива.
10.4 Заверните крышку топливного бака и вытрите пролитое топливо.
ОПАСНОСТЬ
Выхлоп двигателя дровоколов содержит окись углерода, ядовитый газ без цвета и запаха. Вдыхание угарного газа вызовет тошноту, головокружение, обморок или смерть. Если вы почувствуете головокружение или слабость, немедленно выйдите на свежий воздух. Эксплуатируйте дровокол на открытом воздухе только в хорошо проветриваемом помещении.
НЕ используйте дровокол внутри любого здания, ограждения или отсека.
DONOR позволяет выхлопным газам попадать в ограниченное пространство через окна, двери, вентиляционные и другие отверстия.
ОПАСНО ОКИСЬ УГЛЕРОДА, использование бревна в помещении МОЖЕТ УБИТЬ ВАС ЗА МИНУТЫ.
ВНИМАНИЕ
Топливо и его пары легко воспламеняются и чрезвычайно взрывоопасны. Пожар или взрыв могут вызвать серьезные ожоги или смерть. Непреднамеренный запуск может привести к запутыванию, травматической ампутации или разрыву. Используйте только обычный неэтилированный бензин с октановым числом не менее 87.НЕ смешивайте масло и бензин вместе. Заполните бак примерно на ¼ дюйма ниже верха бака, чтобы топливо расширилось.
НЕ заправляйте топливный бак в помещении, а также при работающем или горячем двигателе.
НЕ закуривайте и не курите при заправке топливного бака.
ШАГ 11: Проверьте гидравлическое масло
11.1 Перед проверкой или добавлением гидравлического масла необходимо поставить дровокол на плоской ровной поверхности.
11.2 Перед отправкой в разделитель бревен было залито 5,7 галлона гидравлического масла AW32.AW46 и универсальное гидравлическое масло — все приемлемые типы жидкостей. Жидкость для автоматических трансмиссий может использоваться при температуре ниже 32 градусов для улучшения запуска двигателя.
11.3 Запустите двигатель и используйте рычаг управления, чтобы несколько раз выдвинуть и втянуть клин, чтобы удалить воздух из трубопроводов.
11.4 При втянутом клине снова проверьте уровень гидравлического масла и при необходимости долейте.
ПРЕДУПРЕЖДЕНИЕ
ЗАПРЕЩАЕТСЯ снимать крышку заливной горловины гидравлического масла при работающем или горячем двигателе.Вытекающее горячее масло может вызвать серьезные ожоги. Перед тем, как снимать крышку гидравлического масла, всегда дайте ножу полностью остыть. Гидравлические дровоколы создают высокое давление и температуру жидкости. Гидравлическая жидкость вытечет через отверстие размером со штифт и может проколоть кожу и вызвать серьезное заражение крови. Регулярно проверяйте гидравлическую систему на предмет возможных утечек. Никогда не проверяйте герметичность рукой, когда система находится под давлением. Немедленно обратитесь за медицинской помощью, если вы получили травму из-за утечки жидкости.Перед подачей давления убедитесь, что все фитинги затянуты и надежно закреплены. Перед обслуживанием сбросьте давление в системе.
Убедитесь, что гидравлические шланги не касаются горячих поверхностей или участков среза. Шланги необходимо располагать так, чтобы они не соприкасались с двигателем и режущим клином. Во избежание серьезных травм всегда проверяйте шланги перед тем, как использовать дровокол.
ОРГАНЫ УПРАВЛЕНИЯ И ИДЕНТИФИКАЦИЯ ХАРАКТЕРИСТИК
На схеме ниже обозначены основные компоненты, описанные в данном руководстве.
- 2-дюймовая шаровая муфта
- Гидравлический цилиндр
- Регулирующий клапан
- 8 ”клин
- Внешний фильтр
- Балка
- Двигатель
- Шина / колесо в сборе
- Шестеренчатый насос
- Опорная нога
- Цепи безопасности
- Канистра с ручным управлением
- Журнальный стол
ИНСТРУКЦИЯ ПО ЭКСПЛУАТАЦИИ
ПРЕДУПРЕЖДЕНИЕ: Прочтите и усвойте все инструкции и информацию по технике безопасности, содержащиеся в этом руководстве и на наклейках по технике безопасности, перед сборкой или эксплуатацией этого дровокольника.Непонимание может привести к серьезным травмам или смерти. Не позволяйте использовать этот разделитель журналов лицам, не прочитавшим это руководство. Дровокол может быть опасен при неправильной сборке или использовании. Не используйте этот разделитель журналов, если у вас есть какие-либо вопросы относительно безопасной эксплуатации. Звоните в нашу службу технической поддержки по телефону 1-888-376-9601, чтобы получить ответы на любые вопросы.
ВНИМАНИЕ: НЕ ЗАПУСКАЙТЕ И НЕ ЗАПУСКАЙТЕ ДВИГАТЕЛЬ ДО ПРОВЕРКИ МАСЛА В ГИДРАВЛИЧЕСКОМ БАКЕ И МАСЛА В ДВИГАТЕЛЕ.
РЕКОМЕНДАЦИИ ПО МОТОРНОМУ МАСЛУ
В двигатель заправлено масло 10W-30. Обратитесь к руководству по эксплуатации двигателя для получения информации о диапазонах температур и марках масла, которые следует использовать. Объем моторного масла составляет 36,7 унций. После того, как гидравлический бак и картер двигателя заполнены маслом, запустите двигатель. Гидравлический насос должен заправиться сам. При работающем двигателе переместите рычаг регулирующего клапана в сторону подножки. Это приведет к расширению цилиндра и вытеснению воздуха. Когда цилиндр полностью выдвинется, втяните его.Повторите эту процедуру несколько раз. После этой процедуры еще раз проверьте уровень масла. ПРИМЕЧАНИЕ. Если бак переполнен, масло будет вытекать из крышки сапуна при втягивании цилиндра. Снова прокрутите цилиндр до постоянной скорости, указывающей на то, что весь воздух был удален.
ИНСТРУКЦИЯ ПО ЗАПУСКУ
Полную информацию о запуске, техническом обслуживании и технических характеристиках см. В руководстве пользователя Kohler.
Двигатель Kohler объемом 277 куб. См.
a) Убедитесь, что переключатель «ВКЛ» / «ВЫКЛ» находится в положении «включено».
б) Установите рычаг дроссельной заслонки в положение «БЫСТРО». Всегда запускайте двигатель с рычагом дроссельной заслонки в положении «БЫСТРО».
c) Переведите рычаг управления воздушной заслонкой в положение «CHOKE».
d) Возьмитесь за ручку троса и медленно потяните, пока не почувствуете сопротивление. Затем быстро потяните, чтобы запустить двигатель и избежать отдачи двигателя.
д) Дайте двигателю прогреться. При работе в теплую погоду переместите рычаг управления воздушной заслонкой в сторону «РАБОТА» на короткое расстояние в течение нескольких секунд. Для работы в холодную погоду проделайте эту процедуру в течение нескольких минут.Переведите рычаг воздушной заслонки в положение «РАБОТА».
f) Чтобы остановить двигатель, переведите переключатель «ВКЛ» / «ВЫКЛ» в положение «ВЫКЛ».
ВНИМАНИЕ: ПЕРЕКЛЮЧИТЕ ТОПЛИВНЫЙ КЛАПАН В ПОЛОЖЕНИЕ «ВЫКЛЮЧЕНО» ПЕРЕД БУКСИРОВКОЙ. НЕВЫПОЛНЕНИЕ ЭТОГО МОЖЕТ ПРИВЕСТИ К ЗАЛИВУ ДВИГАТЕЛЯ И РАЗРУШЕНИЮ МОТОРНОГО МАСЛА.
ПРИМЕЧАНИЕ. Максимальная регулируемая частота вращения двигателя предварительно установлена на заводе на 3600 об / мин без нагрузки. При колки дров необходимо установить дроссельную заслонку на максимальную скорость, чтобы развивать мощность, необходимую для насоса.
ПРЕДУПРЕЖДЕНИЕ: См. Информацию по технике безопасности, относящуюся к эксплуатации разделителя бревен на страницах 5 и 6 данного руководства.Убедитесь, что у вас есть рекомендованные средства индивидуальной защиты, описанные на стр. 3.
- Установите дровокол на чистой ровной поверхности и поставьте под колеса колодки.
- Для горизонтальной работы поместите бревно на балку напротив опорной плиты. Убедитесь, что бревно надежно закреплено на опорной пластине и упирается в балку. Чтобы расколоть древесину в вертикальном положении, отпустите шпильку на защелке балки, расположенной рядом с передним концом балки. Наклоняйте балку вверх, пока опорная плита не будет прямо на земле, а дровокол не станет устойчивым.Поместите бревно на подножку вплотную к балке. Когда балка вернется в горизонтальное положение, убедитесь, что фиксирующий штифт балки надежно закреплен.
- Переместите ручку регулирующего клапана так, чтобы цилиндр вбивал клин в бревно. Выдвигайте цилиндр до тех пор, пока бревно не расколется или не до конца хода. Если бревно не раскололось полностью после того, как цилиндр достиг конца своего выдвижения, втяните цилиндр.
ВАЖНАЯ ИНФОРМАЦИЯ: Оставление клапана в положении «активировать» в конце хода может ускорить износ гидравлического компонента.Не колите бревна с некруглыми концами.
ПРИМЕЧАНИЕ: Для работы в лесистой местности приобретите искрогаситель для выхлопной системы. См. Руководство по эксплуатации и техническому обслуживанию двигателя и обратитесь в авторизованный сервисный центр Kohler. См. Также «Предотвращение пожара» на стр. 6 данного руководства. БУКСИРОВКА
Этот дровокол оборудован пневматическими шинами, сцепкой класса I или выше (требуется шар диаметром 2 дюйма) и предохранительными цепями. Перед буксировкой необходимо прикрепить предохранительные цепи к сцепному устройству или бамперу автомобиля.Необходимо проверить местные правила в отношении лицензирования, освещения, буксировки и т. Д. Перед буксировкой поверните запорный топливный кран на двигателе в положение «Выкл.». Несоблюдение этого правила может привести к затоплению двигателя. Не превышайте скорость 45 миль в час при буксировке этого бревна. См. Также Безопасность при буксировке на стр. 6 данного руководства.
ТЕХНИЧЕСКОЕ ОБСЛУЖИВАНИЕ
- См. Инструкции по эксплуатации и техническому обслуживанию производителя двигателя относительно ухода за двигателем.
- Всегда проверяйте уровень масла в гидравлическом баке перед работой.Эксплуатация машины для раскалывания бревен без достаточной подачи масла приведет к серьезному повреждению насоса.
- Замените масляный фильтр после первых 25 часов работы. После меняйте масляный фильтр каждые 100 часов или сезонно, в зависимости от того, что наступит раньше.
- Чтобы слить гидравлическое масло, снимите штуцер сливной пробки на дне бака. Он расположен справа от масляного фильтра.
- Если клин нуждается в заточке, его можно снять и заточить.
- Очистите крышку сапуна после 25 часов работы.Чаще очищайте его при эксплуатации в пыльных условиях. Для очистки снимите крышку сапуна с бака и промойте растворителем или продуйте воздухом.
- См. Также Общие правила техники безопасности при ремонте и техническом обслуживании на стр. 5 и 6 данного руководства.
- Все запасные части должны соответствовать спецификациям производителя.
ГОРИЗОНТАЛЬНОЕ ПОЛОЖЕНИЕ
Чаще всего используется позиция
Позиция, обычно используемая для колки больших бревен.
УСТРАНЕНИЕ НЕПОЛАДОК
| Проблема | |
| Шток цилиндра не двигается | РЕШЕНИЕ: A, D |
| Низкая скорость штока цилиндра при выдвижении или втягивание | РЕШЕНИЕ: A, B, D, I |
| Древесина не раскалывается или раскалывается очень медленно | РЕШЕНИЕ: A, B, D, G, I |
| Клапан не фиксируется или не пинает вне фиксированного положения | РЕШЕНИЕ: H |
| Двигатель заклинивает при колке | РЕШЕНИЕ: Это нормально |
| Двигатель глохнет при низкой нагрузке | РЕШЕНИЕ: L |
| Двигатель не запускается | РЕШЕНИЕ: C, E, F |
| Двигатель плохо вращается и не заводится в холодную погоду | РЕШЕНИЕ: J |
| Двигатель работает, но цилиндр не двигается | РЕШЕНИЕ: D, K |
| Причина | Раствор |
| A -Недостаточно масла для перекачки | Проверить уровень масла в резервуаре |
| B -Воздух в масле | Проверить уровень масла в резервуаре |
| C -Низкое моторное масло | Проверить и долить моторное масло |
| D -Заблокированы гидравлические линии | Проверить наличие ограничений |
| E — «ВКЛ.» / «ВЫКЛ.» | Перейти в положение «ВКЛ.» |
| F -Отключение топлива в положении «ВЫКЛ.» | Перейти в положение «ВКЛ.» |
| G -Поврежденный регулирующий клапан | Обратный клапан для авторизованного ремонта |
| H -Неправильная установка фиксатора | Снимите пластиковый колпачок с клапана и отрегулируйте Давление выталкивания фиксатора |
| I -Цилиндр с внутренними повреждениями | Возврат цилиндра в авторизованный ремонт |
| J -Холодная температура окружающей среды | Холодная погода (ниже 32 °) может привести к затрудненный запуск двигателя.Меняю на ATF. |
| K — Неисправность насоса / муфты двигателя | Проверить и заменить муфту |
| L -Неисправный насос или двигатель | Обратиться в сервисный центр |
ТЕХНИЧЕСКИЕ ХАРАКТЕРИСТИКИ
Макс. Усилие раскалывания 30 тонн
Время цикла 10,5 сек
(Время цикла может варьироваться в зависимости от многих механических факторов и условий окружающей среды, наше опубликованное время цикла является идеальным)
Высота клина 8 дюймов из закаленной стали
Шестеренчатый насос 19 галлонов в минуту
Гидравлическое масло AW32, AW46 и Универсальное гидравлическое масло
Гидравлическая мощность 5.7 галлонов
Макс. Длина бревна 26 дюймов
Гидравлический цилиндр 41/2 дюйма x 24 дюйма
Макс. Давление . 3800 фунтов на квадратный дюйм
Колесо размером 4.8-8 с шинами D.O.T внешним диаметром 16 дюймов
Тип сцепного устройства 2-дюймовая шаровая муфта
Макс. Скорость буксировки 45 миль / ч
Двигатель с ручным запуском 9,5 л.с.
Фильтр (внешний) 25 микрон навинчиваемый фильтр
(внутренний) микронный экран
ПРИМЕЧАНИЕ: Подробные сведения о двигателе см. В руководстве по эксплуатации двигателя.
ЧЕРТЕЖИ И СПИСОК ДЕТАЛЕЙ
| Ref # | Чертеж № | Описание | Кол-во |
| 1 | 9306-10000-DX | Шайба стопорная Ø10 | 4 |
| 2 | 9121-06010-FH | Установочный винт с внутренним шестигранником и конусом M6x10 | 1 |
| 3 | 30002 | Цилиндр | 1 |
| 4 | LSP25-00001-DX | Металлическая труба | 1 |
| 5 | LSP25-00005-DX | R Штифт | 2 |
| 6 | LSP25-00004-DX | Цилиндровый палец | 1 |
| 7 | 25006 | Шланг гидравлический (клапан-внешний фильтр) | 1 |
| 8 | ЛСП25-06000 | Разъем | 2 |
| 9 | 25002 | Регулирующий клапан | 1 |
| 10 | ЛСП25-17000 | Комбинированный разъем | 1 |
| 11 | LSP25-00002-DX | 130 ° Шарнир | 1 |
| 12 | ЛСП2501-00004 | Английская булавка | 1 |
| 13 | 9206-12000-DX | Нейлоновая стопорная гайка M12 | 6 |
| 14 | LSP30B-02000 | Клиновая направляющая | 1 |
| 15 | 9101-14080-DX8.8 | Болт с шестигранной головкой M14x80 | 1 |
| 16 | 25007 | Шланг гидравлический (клапан-шестеренный насос) | 1 |
| 17 | ЛСП3001-01000 | Балка | 1 |
| 18 | ЛСП2501-00005 | Штифт сцепного устройства | 1 |
| 19 | 9901-11X2,5 | Кольцо уплотнительное Ø11 × 2,5 | 2 |
| 20 | LSP25-00010-DX | Масляная пробка | 1 |
| 21 | LSP25-00012-DX | R Штифт | 2 |
| 22 | 9901-15X2.5 | Кольцо круглое Ø15 × 2,5 | 1 |
| 23 | LSP25-00014-DX | Разъем шестеренчатого насоса | 1 |
| 24 | 9101-12150-DX8.8 | Болт с шестигранной головкой M12x150 | 2 |
| 25 | 30001 | Шестеренчатый насос 16,5 / 3,6 | 1 |
| 26 | ЛСП25-13000 | Пробка заливного отверстия | 1 |
| 27 | ЛСП35-02003 | Муфта шестеренчатого насоса | 1 |
| 28 | LSP30A-10004 | Муфта двигателя | 1 |
| 29 | LSP30A-10002-DX | Гильза моста двигателя | 1 |
| 30 | LSP30A-10001 | Стенд для шестеренчатого насоса | 1 |
| 31 | 9206-08000-DX | Нейлоновая стопорная гайка M8 | 8 |
| 32 | 9306-08000-DX | Стопорная шайба Ø8 | 8 |
| 33 | LSP30A-10003 | Двигатель | 1 |
| 34 | 9301-10000-DX | Плоская шайба Ø10 | 8 |
| 35 | 25004 | Колесо | 2 |
| 36 | 9301-08000-DX | Плоская шайба Ø8 | 4 |
| 37 | LSP25-00020-FH | Тонкая гайка с шестигранной шлицевой головкой M20 | 2 |
| Ref # | № чертежа | Описание | Кол-во |
| 38 | LSP25-00019-DX | Угловой соединитель | 1 |
| 39 | ЛСП30-00007 | Масляный фильтр | 1 |
| 40 | 9404-03030-DX | Пружинный шплинт Ø3 × 30 | 1 |
| 41 | LSP25-00009-DX | Заглушка оси | 2 |
| 42 | ЛСП30-00006 | Резиновая шайба | 1 |
| 43 | LSP25-10008-FH | Стопорное кольцо из стальной проволоки для вала | 1 |
| 44 | ЛСП3001-02000 | Гидравлический резервуар | 1 |
| 45 | 9301-06000-DX | Плоская шайба Ø6 | 9 |
| 46 | 9101-10045-DX8.8 | Болт с шестигранной головкой M10x45 | 4 |
| 47 | 9101-06020-DX8.8 | Болт с шестигранной головкой M6x20 | 9 |
| 48 | LSP30-15000-DX | Фиксированная пластина фильтра | 1 |
| 49 | ЛСП25-09001 | Алюминиевая основа | 1 |
| 50 | LSP25-00007-DX | Разъем | 1 |
| 51 | ЛСП25-00011 | Зажим | 2 |
| 52 | LSA22-00025 | Пластина | 1 |
| 53 | ЛСП2501-00007 | Прозрачная масляная трубка | 1 |
| 54 | 9301-20000-DX | Плоская шайба Ø20 | 2 |
| 55 | 9101-14030-DX8.8 | Болт с шестигранной головкой M14x30 | 2 |
| 56 | LSP25-00003-DX | Весна | 1 |
| 57 | 9101-12035-DX8.8 | Болт с шестигранной головкой M12x35 | 4 |
| 58 | MZ01-08025-DX8.8 | Болт с шестигранной головкой 5/16 ”x24-1” | 4 |
| 59 | E050-05002 | Крышка резинки | 1 |
| 60 | 9105-10030 | Винт с полукруглой головкой и внутренним шестигранником M10x30 | 1 |
| 61 | LSP2501-00008-DX | Штифт фиксатора | 1 |
| 62 | ЛСП2501-03000 | Буксирное устройство в сборе | 1 |
| 63 | LSP25-11000-DX | Цепь | 2 |
| 64 | 9110-08010 | Винт M8x10 | 4 |
| 65 | 9301-12000-DX | Плоская шайба Ø12 | 17 |
| 66 | Z103 | Муфта 2 ” | 1 |
| 67 | 9101-12080-DX8.8 | Болт с шестигранной головкой M12x80 | 2 |
| 68 | LSP25-00015-DX | Толстая шайба | 2 |
| 69 | 9101-12090-DX8.8 | Болт с шестигранной головкой M12x90 | 1 |
| 70 | 9306-06000-DX | Стопорная шайба Ø6 | 6 |
| 71 | 9901-17X2,5 | Кольцо круглое Ø17 × 2,5 | 2 |
| 72 | 9101-08030-DX8.8 | Болт с шестигранной головкой M8x30 | 4 |
| 73 | 9404-04036-DX | Пружинный шплинт Ø4 × 36 | 2 |
| 74 | 9206-06000-DX | Нейлоновая стопорная гайка M6 | 3 |
| 75 | Плоский ключ для шестеренчатого насоса | 1 |
| Ref # | Чертеж № | Описание | Кол-во |
| 76 | Плоский ключ двигателя | 1 | |
| 77 | ЛСП3001-03000 | Внешний механизм вращения | 1 |
| 78 | ЛСП2501-05000 | Сварной узел приводной пластины | 1 |
| 79 | 9306-14000-DX | Шайба стопорная Ø14 | 2 |
| 80 | 9301-14000-DX | Плоская шайба Ø14 | 2 |
| 81 | ЛСП25-14002 | Сальник | 2 |
| 82 | L44643 | Конический роликоподшипник | 4 |
| 83 | 60001 | Навинчивающийся фильтр | 1 |
| 84 | 9206-10000-DX | Нейлоновая стопорная гайка M10 | 6 |
| 85 | 9101-12030-DX8.8 | Болт с шестигранной головкой M12x30 | 2 |
| 86 | LSF3000-00006 | Пружина опорной стойки | 2 |
| 87 | 9304-01500 | Стопорное кольцо для вала Ø15 | 2 |
| 88 | LSF3000-00003 | Пружинный штифт | 1 |
| 89 | LSF3000-00050 | Резиновый коврик | 1 |
| 90 | 9101-12100-DX8.8 | Болт с шестигранной головкой M12x100 | 1 |
| 91 | 9101-10110-DX8.8 | Болт с шестигранной головкой M10x110 | 1 |
| 92 | LSF3000-00004 | Пружинный кулон | 2 |
| 93 | ЛСП2501-09000 | Сварной узел опорного замка | 1 |
| 94 | ЛСП3001-04000 | Опорная ножка | 1 |
| 95 | ЛСП3001-00001 | Эластичная подушка | 2 |
| 96 | 9105-08025-DX | Винт с полукруглой головкой и внутренним шестигранником M8x25 | 4 |
| 97 | ЛСП2501-00003 | Резиновый коврик с квадратной трубкой | 1 |
| 98 | 9306-12000-DX | Шайба стопорная Ø12 | 6 |
| 99 | LSP30MD-02000 | Канистра с ручным управлением | 1 |
| 100 | ЛСП3001-06000 | Журнальный стол | 1 |
| 101 | 9206-14000-DX | Нейлоновая стопорная гайка M14 | 1 |
| 102 | ЛСП2501-00011 | Соединительный ремень | 1 |
| 103 | 9301-06000-DX | Шайба большая плоская Ø6 | 1 |
| 104 | 9199-06325-CD | Самонарезающий винт с шестигранной головкой и фланцем ST6.3 × 25 | 1 |
| 105 | N560-00019 | Рукав с ручкой | 1 |
ОГРАНИЧЕННАЯ ГАРАНТИЯ
Гарантия
В течение 5 лет с даты покупки YTL International заменит или устранит дефекты материалов и изготовления для первоначального покупателя бревна. Гарантия на двигатель составляет 3 года согласно гарантии производителя двигателя. В течение 3 лет с даты покупки YTL International произведет замену компонентов гидравлической системы.Гарантия не распространяется на любое устройство, которое было неправильно собрано, неправильно использовалось, перегружено, использовалось или эксплуатировалось с нарушением наших инструкций, или которое было отремонтировано или изменено кем-либо, кроме представителя сервисной службы, уполномоченного YTL International Inc.
Исключения из гарантии
Эта гарантия не распространяется на косметические дефекты, такие как краска, наклейки или изнашиваемые предметы, такие как шины. Эта гарантия
не распространяется на отказы или проблемы, вызванные стихийными бедствиями, событиями или силами, не зависящими от производителя.
Исключение нормального износа
Разделитель журналов требует периодического обслуживания для нормальной работы. Настоящая гарантия не распространяется на ремонт, когда при нормальном использовании исчерпался срок службы детали или оборудования в целом.
Исключение для установки, использования и обслуживания
Данная гарантия не распространяется на детали и / или рабочую силу, если бревенчатый нож был неправильно использован, запущен, попал в аварию, неправильно использовался, загружен сверх его пределов, модифицирован или собран неправильно. Настоящая гарантия не распространяется на обычное обслуживание.
Пределы подразумеваемой гарантии и исключения косвенного ущерба
YTL International отказывается от каких-либо обязательств по возмещению потери времени, использования этого продукта, фрахта, а также любых случайных или косвенных претензий со стороны любого лица в связи с использованием этого разделителя журналов. ДАННАЯ ГАРАНТИЯ ЗАМЕНЯЕТ ВСЕ ДРУГИЕ ГАРАНТИИ, ЯВНЫЕ ИЛИ ПОДРАЗУМЕВАЕМЫЕ, ВКЛЮЧАЯ ГАРАНТИИ КОММЕРЧЕСКОЙ ЦЕННОСТИ ИЛИ ПРИГОДНОСТИ ДЛЯ A
В частности.
На обменный блок распространяется первоначальная гарантия. Срок гарантии на замененный блок будет иметь дату, равную дате покупки оригинального блока.Эта гарантия дает вам определенные законные права, которые могут меняться от штата к штату. В вашем штате также могут быть другие права, на которые вы можете иметь право, которые не указаны в данной гарантии. Контактная информация
YTL International Inc.
Загрузки файла
| COUNTYLINE Руководство пользователя 30-тонный разделитель бревен, 1261518 | Загрузить [оптимизировано] Загрузить |

Однако они подходят и для работы в загородных домах.
Но, для его производительной работы потребуется мощный электродвигатель.
Суть действия в том, что он получает энергию от гидросистемы трактора;
К станине приваривается стол для подачи материала. Изготавливают его из двух стоек, с использованием профильной трубы, соединённых перемычкой. Верх выполняется из стального листа. Размеры соответствуют периметру стола. Толщина металла 10 мм. к поверхности стола приваривается нож разъединяющий полено. Он предотвращает неожиданное попадание осколка под винтовой конус с последующим его затягиванием и деформацию вала. Приваривается н строго под конусом на расстоянии 20 мм от самого большого диаметра конуса имеющегося в наборе к данному станку.
По размерам вала подбираются подшипники.

масляный насос, который может перекачивать 3 галлона в минуту при давлении 2500 фунтов на квадратный дюйм.
Лучше всего расставить кусочки
так что шток гидроцилиндра перемещается по ним при активации.